A型对焊环板式松套钢制管法兰的尺寸-GB/T 9124.1 PN16
发布时间:2023-01-28 点击数:551
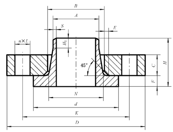
A型对焊环板式松套钢制管法兰的尺寸-GB/T 9124.1 PN16

| DN | 钢管外径 A/ mm |
连接尺寸 | 法兰 厚度 C/ mm |
法兰内径 B/ m |
对焊环 | ||||||||||||||
| 法兰 外径 D/ mm |
螺栓孔中心圆直径 K/ mm |
螺栓孔直径 L/ mm |
螺栓 | 外径 d/ mm |
N/ mm | d/ mm |
F/ mm |
H1/ mm |
H/ mm |
S/ mm |
|||||||||
| 系列I | 系列II | 数量 n/个 |
螺纹 规格 |
系列I | 系列II | E/ mm |
系列I | 系列II | |||||||||||
| 10 | 17.2 | 14 | 90 | 60 | 14 | 4 | M12 | 14 | 31 | 31 | 3 | 40 | 28 | 28 | 40 | 12 | 6 | 35 | 1.8 |
| 15 | 21.3 | 18 | 95 | 65 | 14 | 4 | M12 | 14 | 35 | 35 | 3 | 45 | 32 | 32 | 45 | 12 | 6 | 38 | 2.0 |
| 20 | 26.9 | 25 | 105 | 75 | 14 | 4 | M12 | 16 | 42 | 42 | 4 | 58 | 40 | 40 | 58 | 14 | 6 | 40 | 2.3 |
| 25 | 33.7 | 32 | 115 | 85 | 14 | 4 | M12 | 16 | 49 | 49 | 4 | 68 | 46 | 46 | 68 | 14 | 6 | 40 | 2.6 |
| 32 | 42.4 | 38 | 140 | 100 | 18 | 4 | M16 | 18 | 59 | 59 | 5 | 78 | 56 | 56 | 78 | 14 | 6 | 42 | 2.6 |
| 40 | 48.3 | 45 | 150 | 110 | 18 | 4 | M16 | 18 | 67 | 67 | 5 | 88 | 64 | 64 | 88 | 14 | 7 | 45 | 2.6 |
| 50 | 60.3 | 57 | 165 | 125 | 18 | 4 | M16 | 20 | 77 | 77 | 5 | 102 | 74 | 74 | 102 | 16 | 8 | 45 | 2.9 |
| 65 | 73.0 | 76 | 185 | 145 | 18 | 8 | M16 | 20 | 96 | 96 | 6 | 122 | 92 | 92 | 122 | 16 | 10 | 45 | 2.9 |
| 80 | 88.9 | 89 | 200 | 160 | 18 | 8 | M16 | 20 | 108 | 114 | 6 | 138 | 105 | 110 | 138 | 16 | 10 | 50 | 3.2 |
| 100 | 114.3 | 108 | 220 | 180 | 18 | 8 | M16 | 22 | 134 | 134 | 6 | 158 | 131 | 130 | 158 | 18 | 12 | 52 | 3.6 |
| 125 | 139.7 | 133 | 250 | 210 | 18 | 8 | M16 | 22 | 162 | 162 | 6 | 188 | 156 | 158 | 188 | 18 | 12 | 55 | 4.0 |
| 150 | 168.3 | 159 | 285 | 240 | 22 | 8 | M20 | 24 | 188 | 188 | 6 | 212 | 184 | 184 | 212 | 20 | 12 | 55 | 4.5 |
| 200 | 219.1 | 219 | 340 | 295 | 22 | 12 | M20 | 26 | 240 | 240 | 6 | 268 | 235 | 234 | 268 | 20 | 16 | 62 | 6.3 |
| 250 | 273.0 | 273 | 405 | 355 | 26 | 12 | M24 | 29 | 294 | 294 | 8 | 320 | 292 | 288 | 320 | 22 | 16 | 70 | 6.3 |
| 300 | 323.9 | 325 | 460 | 410 | 26 | 12 | M24 | 32 | 348 | 348 | 8 | 378 | 344 | 342 | 378 | 24 | 16 | 78 | 7.1 |
| 350 | 355.6 | 377 | 520 | 470 | 26 | 16 | M24 | 35 | 400 | 410 | 8 | 438 | 390 | 400 | 438 | 26 | 16 | 82 | 8.0 |
| 400 | 406.4 | 426 | 580 | 525 | 30 | 16 | M27 | 38 | 454 | 460 | 8 | 490 | 445 | 450 | 490 | 28 | 16 | 85 | 8.0 |
| 450 | 457 | 480 | 640 | 585 | 30 | 20 | M27 | 42 | 500 | 516 | 8 | 550 | 490 | 506 | 550 | 30 | 16 | 83 | 8.0 |
| 500 | 508 | 530 | 715 | 650 | 33 | 20 | M30 | 46 | 556 | 569 | 8 | 610 | 548 | 559 | 610 | 32 | 16 | 84 | 8.0 |
| 600 | 610 | 630 | 840 | 770 | 36 | 20 | M33 | 55 | 660 | 670 | 8 | 725 | 670 | 660 | 725 | 32 | 18 | 88 | 8.8 |