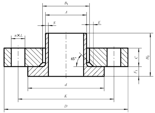
B型对焊环板式松套钢制管法兰的尺寸-GB/T 9124.1 PN25
发布时间:2023-01-29 点击数:595
B型对焊环板式松套钢制管法兰的尺寸-GB/T 9124.1 PN25

| DN | 钢管外径 A/ mm |
连接尺寸 | 法兰 厚度 C/ mm |
法兰内径 B1/ mm |
对焊环 | ||||||||||
| 法兰 外径 D/ mm |
螺栓孔中心圆直径 K/ mm |
螺栓孔直径 L/ mm |
螺栓 | d/ mm |
F1/ mm |
H2/ mm |
S/ mm |
||||||||
| 系列I | 系列II | 数量 n/个 |
螺纹 规格 |
系列I | 系列II | E/ mm |
|||||||||
| 10 | 17.2 | 14 | 90 | 60 | 14 | 4 | M12 | 14 | 21 | 18 | 3 | 40 | 5 | 35 | 3 |
| 15 | 21.3 | 18 | 95 | 65 | 14 | 4 | M12 | 14 | 25 | 22 | 3 | 45 | 5 | 38 | 3 |
| 20 | 26.9 | 25 | 105 | 75 | 14 | 4 | M12 | 16 | 31 | 29 | 4 | 58 | 6 | 40 | 3 |
| 25 | 33.7 | 32 | 115 | 85 | 14 | 4 | M12 | 16 | 38 | 36 | 4 | 68 | 7 | 40 | 3 |
| 32 | 42.4 | 38 | 140 | 100 | 18 | 4 | M16 | 18 | 47 | 42 | 5 | 78 | 8 | 42 | 3 |
| 40 | 48.3 | 45 | 150 | 110 | 18 | 4 | M16 | 18 | 53 | 49 | 5 | 88 | 8 | 45 | 3 |
| 50 | 60.3 | 57 | 165 | 125 | 18 | 4 | M16 | 20 | 65 | 61 | 5 | 102 | 10 | 48 | 4 |
| 65 | 73.0 | 76 | 185 | 145 | 18 | 8 | M16 | 22 | 81 | 81 | 6 | 122 | 11 | 52 | 5 |
| 80 | 88.9 | 89 | 200 | 160 | 18 | 8 | M16 | 24 | 94 | 94 | 6 | 138 | 12 | 58 | 6 |
| 100 | 114.3 | 108 | 235 | 190 | 22 | 8 | M20 | 26 | 120 | 113 | 6 | 162 | 14 | 65 | 6 |
| 125 | 139.7 | 133 | 270 | 220 | 26 | 8 | M24 | 28 | 147 | 138 | 6 | 188 | 16 | 68 | 6 |
| 150 | 168.3 | 159 | 300 | 250 | 26 | 8 | M24 | 30 | 174 | 164 | 6 | 218 | 18 | 75 | 8 |
| 200 | 219.1 | 219 | 360 | 310 | 26 | 12 | M24 | 32 | 226 | 226 | 6 | 278 | 18 | 80 | 8 |
| 250 | 273.0 | 273 | 425 | 370 | 30 | 12 | M27 | 35 | 281 | 281 | 8 | 335 | 18 | 88 | 10 |
| 300 | 323.9 | 325 | 485 | 430 | 30 | 16 | M27 | 38 | 333 | 333 | 8 | 395 | 20 | 92 | 10 |
| 350 | 355.6 | 377 | 555 | 490 | 33 | 16 | M30 | 42 | 365 | 386 | 8 | 450 | 22 | 100 | 12 |
| 400 | 406.4 | 426 | 620 | 550 | 36 | 16 | M33 | 48 | 416 | 435 | 8 | 505 | 24 | 110 | 14 |
| 450 | 457 | 480 | 670 | 600 | 36 | 20 | M33 | 54 | 467 | 490 | 8 | 555 | 26 | 110 | 15 |
| 500 | 508 | 530 | 730 | 660 | 36 | 20 | M33 | 58 | 519 | 540 | 8 | 615 | 28 | 125 | 16 |
| 600 | 610 | 630 | 845 | 770 | 39 | 20 | M36 | 68 | 622 | 640 | 8 | 720 | 30 | 115 | 18 |
| 700 | 711 | 720 | 960 | 875 | 42 | 24 | M39 | 85 | 721 | 730 | 8 | 820 | 30 | 125 | 20 |
| 800 | 813 | 820 | 1085 | 990 | 48 | 24 | M45 | 95 | 824 | 830 | 8 | 930 | 35 | 135 | 20 |