Class600承插焊法兰的尺寸~GB/T 9124.2-2019
发布时间:2023-04-21 点击数:503
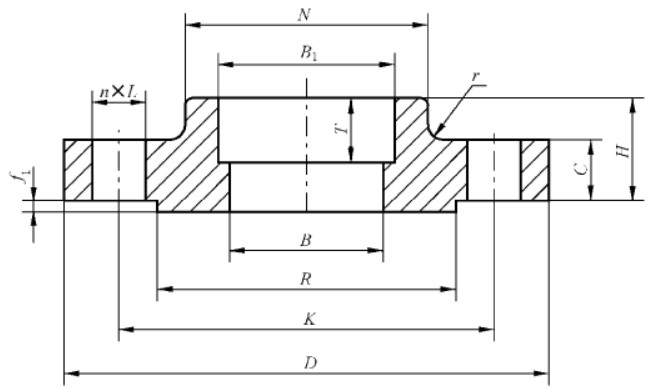
Class600承插焊法兰的尺寸~GB/T 9124.2-2019

| 公称尺寸 | 钢管 外径 A/ mm |
连接尺寸 | 法兰 厚度 C/ mm |
法兰 高度 H/ mm |
法兰颈 | 法兰 内径 B/ mm |
承插孔 | 密封面 直径 R/ mm |
密封面 厚度 f1/ mm |
|||||||
| DN | NPS | 法兰 外径 D/ mm |
螺栓孔中心圆直径 K/ mm |
螺栓孔直径 L/mm |
螺栓 | N/ mm | r/ mm | B1/ mm | T / mm | |||||||
| 数量 n/个 |
螺纹 规格 |
|||||||||||||||
| 15 | 1/2 | 21.3 | 95 | 66.7 | 16 | 4 | M14 | 14.3 | 22 | 38 | ≥4 | 13.84 | 22.2 | 10 | 34.9 | 7 |
| 20 | 3/4 | 26.9 | 115 | 82.6 | 19 | 4 | M16 | 15.9 | 25 | 48 | ≥4 | 18.88 | 27.7 | 11 | 42.9 | 7 |
| 25 | 1 | 33.7 | 125 | 88.9 | 19 | 4 | M16 | 17.5 | 27 | 54 | ≥4 | 24.3 | 34.5 | 13 | 50.8 | 7 |
| 32 | 1 ¼ | 42.4 | 135 | 98.4 | 19 | 4 | M16 | 20.7 | 29 | 64 | ≥4 | 32.5 | 43.2 | 14 | 63.5 | 7 |
| 40 | 1 ½ | 48.3 | 155 | 114.3 | 22 | 4 | M20 | 22.3 | 32 | 70 | ≥4 | 38.14 | 49.5 | 16 | 73.0 | 7 |
| 50 | 2 | 60.3 | 165 | 127.0 | 19 | 8 | M16 | 25.4 | 37 | 84 | ≥4 | 49.22 | 61.9 | 17 | 92.1 | 7 |
| 65 | 2 ½ | 73.0 | 190 | 149.2 | 22 | 8 | M20 | 28.6 | 41 | 100 | ≥4 | 62.08 | 74.6 | 19 | 104.8 | 7 |
| 80 | 3 | 88.9 | 210 | 168.3 | 22 | 8 | M20 | 31.8 | 46 | 117 | ≥4 | 73.66 | 90.7 | 21 | 127.0 | 7 |
法兰内径B由采购方指定,表列内径相当于采用钢管壁厚XS(Sch80)。