PN100带颈对焊法兰的尺寸 ~ EN1092-1
发布时间:2016-01-21 点击数:3510
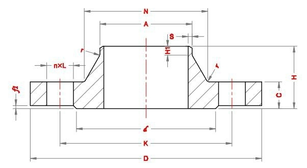
PN100带颈对焊法兰的尺寸 ~ EN1092-1

| DN | Pipe OD A/ mm |
Connection Dimension | Diameter of Raised Face d/ mm |
Height of Raised Face f1/ mm |
Flange thickness C/ mm |
Length of Flange H/ mm |
Neck | |||||||
| Outside Diameter D/ mm |
Diameter of Bolt Circle K/ mm |
Diameter of Bolt Holes L/ mm |
Bolt | N/ mm | Smin/ mm |
H1/ mm |
r/ mm |
|||||||
| No. n/ pcs |
Size | |||||||||||||
| 10 | 17.2 | 100 | 70 | 14 | 4 | M12 | 40 | 2 | 20 | 45 | 32 | 2.0 | 6 | 4 |
| 15 | 21.3 | 105 | 75 | 14 | 4 | M12 | 45 | 2 | 20 | 45 | 34 | 3.2 | 6 | 4 |
| 20 | 26.9 | 130 | 90 | 18 | 4 | M16 | 58 | 2 | 22 | 48 | 42 | 3.2 | 8 | 4 |
| 25 | 33.7 | 140 | 100 | 18 | 4 | M16 | 68 | 2 | 24 | 58 | 52 | 3.6 | 8 | 4 |
| 32 | 42.4 | 155 | 110 | 22 | 4 | M20 | 78 | 2 | 24 | 60 | 62 | 3.6 | 8 | 6 |
| 40 | 48.3 | 170 | 125 | 22 | 4 | M20 | 88 | 3 | 26 | 62 | 70 | 3.6 | 10 | 6 |
| 50 | 60.3 | 195 | 145 | 26 | 4 | M24 | 102 | 3 | 28 | 68 | 90 | 4.0 | 10 | 6 |
| 65 | 76.1 | 220 | 170 | 26 | 8 | M24 | 122 | 3 | 30 | 76 | 108 | 4.0 | 12 | 6 |
| 80 | 88.9 | 230 | 180 | 26 | 8 | M24 | 138 | 3 | 32 | 78 | 120 | 5.0 | 12 | 8 |
| 100 | 114.3 | 265 | 210 | 30 | 8 | M27 | 162 | 3 | 36 | 90 | 150 | 5.6 | 12 | 8 |
| 125 | 141.3 | 315 | 250 | 33 | 8 | M30 | 188 | 3 | 40 | 105 | 180 | 6.3 | 12 | 8 |
| 150 | 168.3 | 355 | 290 | 33 | 12 | M30 | 218 | 3 | 44 | 115 | 210 | 8.0 | 12 | 10 |
| 200 | 219.1 | 430 | 360 | 36 | 12 | M33 | 285 | 3 | 52 | 130 | 278 | 8.8 | 16 | 10 |
| 250 | 273.0 | 505 | 430 | 39 | 12 | M36 | 345 | 3 | 60 | 157 | 340 | 10.0 | 18 | 12 |
| 300 | 323.9 | 585 | 500 | 42 | 16 | M39 | 410 | 4 | 68 | 170 | 400 | 12.5 | 18 | 12 |
| 350 | 355.6 | 655 | 560 | 48 | 16 | M45 | 465 | 4 | 74 | 189 | 460 | 14.2 | 20 | 12 |