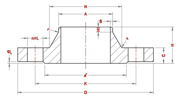
PN320带颈对焊法兰的尺寸 ~ EN1092-1
发布时间:2016-01-21 点击数:3144
PN320带颈对焊法兰的尺寸 ~ EN1092-1

| DN | Pipe OD A/ mm |
Connection Dimension | Diameter of Raised Face d/ mm |
Height of Raised Face f1/ mm |
Flange thickness C/ mm |
Length of Flange H/ mm |
Neck | |||||||
| Outside Diameter D/ mm |
Diameter of Bolt Circle K/ mm |
Diameter of Bolt Holes L/ mm |
Bolt | N/ mm | Smin/ mm |
H1/ mm |
r/ mm |
|||||||
| No. n/pcs |
Size | |||||||||||||
| 10 | 17.2 | 125 | 85 | 18 | 4 | M16 | 40 | 2 | 24 | 58 | 44 | 2.6 | 6 | 4 |
| 15 | 21.3 | 130 | 90 | 18 | 4 | M16 | 45 | 2 | 26 | 60 | 48 | 3.2 | 6 | 4 |
| 20 | 26.9 | 145 | 100 | 22 | 4 | M20 | 58 | 2 | 30 | 70 | 58 | 4.0 | 8 | 4 |
| 25 | 33.7 | 160 | 115 | 22 | 4 | M20 | 68 | 2 | 34 | 78 | 68 | 5.0 | 8 | 4 |
| 32 | 42.4 | 175 | 130 | 26 | 4 | M24 | 78 | 2 | 36 | 83 | 80 | 5.6 | 8 | 4 |
| 40 | 48.3 | 195 | 145 | 26 | 4 | M24 | 88 | 3 | 38 | 88 | 92 | 6.3 | 10 | 6 |
| 50 | 60.3 | 210 | 160 | 26 | 8 | M24 | 102 | 3 | 42 | 100 | 106 | 8.0 | 10 | 6 |
| 65 | 88.9 | 255 | 200 | 30 | 8 | M27 | 122 | 3 | 51 | 120 | 138 | 11.0 | 12 | 6 |
| 80 | 101.6 | 275 | 220 | 30 | 8 | M27 | 138 | 3 | 55 | 130 | 156 | 12.5 | 14 | 8 |
| 100 | 133.0 | 335 | 265 | 36 | 8 | M33 | 162 | 3 | 65 | 145 | 186 | 16.0 | 16 | 8 |
| 125 | 168.3 | 380 | 310 | 36 | 12 | M33 | 188 | 3 | 75 | 175 | 230 | 20.0 | 20 | 8 |
| 150 | 193.7 | 425 | 350 | 39 | 12 | M36 | 218 | 3 | 84 | 195 | 265 | 25.0 | 25 | 10 |
| 200 | 244.5 | 525 | 440 | 42 | 16 | M39 | 285 | 3 | 103 | 235 | 345 | 30.0 | 30 | 10 |
| 250 | 323.9 | 640 | 540 | 52 | 16 | M48 | 345 | 3 | 125 | 300 | 428 | 40.0 | 40 | 12 |