PN16带颈平焊法兰的尺寸 ~ EN1092-1
发布时间:2017-04-01 点击数:3614
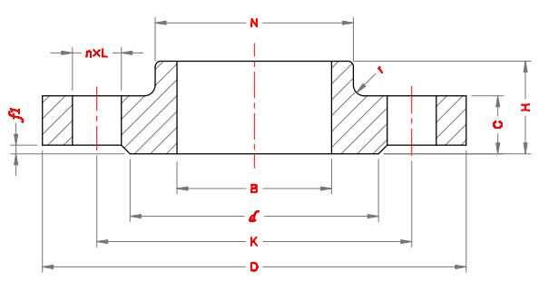
PN16 带颈平焊法兰的尺寸 ~ EN1092-1

| DN | Pipe OD A/ mm |
Connection Dimension | Flange thickness C/ mm |
Length of Flange H/ mm |
Face | Neck | Bore diameter B/ mm |
||||||
| Outside Diameter D/ mm |
Diameter of Bolt Circle K/ mm |
Diameter of Bolt Holes L/ mm |
Bolt | ||||||||||
| No. n/ pcs |
Size | d/ m | f1/ m | N/ mm | r/ mm | ||||||||
| 10 | 17.2 | 90 | 60 | 14 | 4 | M12 | 16 | 22 | 40 | 2 | 30 | 4 | 18.0 |
| 15 | 21.3 | 95 | 65 | 14 | 4 | M12 | 16 | 22 | 45 | 2 | 35 | 4 | 22.0 |
| 20 | 26.9 | 105 | 75 | 14 | 4 | M12 | 18 | 26 | 58 | 2 | 45 | 4 | 27.5 |
| 25 | 33.7 | 115 | 85 | 14 | 4 | M12 | 18 | 28 | 68 | 2 | 52 | 4 | 34.5 |
| 32 | 42.4 | 140 | 100 | 18 | 4 | M16 | 18 | 30 | 78 | 2 | 60 | 6 | 43.5 |
| 40 | 48.3 | 150 | 110 | 18 | 4 | M16 | 18 | 32 | 88 | 3 | 70 | 6 | 49.5 |
| 50 | 60.3 | 165 | 125 | 18 | 4 | M16 | 18 | 28 | 102 | 3 | 84 | 6 | 61.5 |
| 65 | 76.1 | 185 | 145 | 18 | 8 | M16 | 18 | 32 | 122 | 3 | 104 | 6 | 77.5 |
| 80 | 88.9 | 200 | 160 | 18 | 8 | M16 | 20 | 34 | 138 | 3 | 118 | 6 | 90.5 |
| 100 | 114.3 | 220 | 180 | 18 | 8 | M16 | 20 | 40 | 158 | 3 | 140 | 8 | 116.0 |
| 125 | 141.3 | 250 | 210 | 18 | 8 | M16 | 22 | 44 | 188 | 3 | 168 | 8 | 141.5 |
| 150 | 168.3 | 285 | 240 | 22 | 8 | M20 | 22 | 44 | 212 | 3 | 195 | 10 | 170.5 |
| 200 | 219.1 | 340 | 295 | 22 | 12 | M20 | 24 | 44 | 268 | 3 | 246 | 10 | 221.5 |
| 250 | 273.0 | 405 | 355 | 26 | 12 | M24 | 26 | 46 | 320 | 3 | 298 | 12 | 276.5 |
| 300 | 323.9 | 460 | 410 | 26 | 12 | M24 | 28 | 46 | 378 | 4 | 350 | 12 | 327.5 |
| 350 | 355.6 | 520 | 470 | 26 | 16 | M24 | 30 | 57 | 438 | 4 | 400 | 12 | 359.5 |
| 400 | 406.4 | 580 | 525 | 30 | 16 | M27 | 32 | 63 | 490 | 4 | 456 | 12 | 411.0 |
| 450 | 457 | 640 | 585 | 30 | 20 | M27 | 34 | 68 | 550 | 4 | 502 | 12 | 462.0 |
| 500 | 508 | 715 | 650 | 33 | 20 | M30 | 36 | 73 | 610 | 4 | 559 | 12 | 513.5 |
| 600 | 610 | 840 | 770 | 36 | 20 | M33 | 40 | 83 | 725 | 5 | 658 | 12 | 616.5 |
| 700 | 711 | 910 | 840 | 36 | 24 | M33 | 40 | 83 | 795 | 5 | 750 | 12 | 718 |
| 800 | 813 | 1025 | 950 | 39 | 24 | M36 | 41 | 90 | 900 | 5 | 864 | 12 | 820 |
| 900 | 914 | 1125 | 1050 | 39 | 28 | M36 | 48 | 94 | 1000 | 5 | 968 | 12 | 921 |
| 1000 | 1016 | 1255 | 1170 | 42 | 28 | M39 | 59 | 100 | 1115 | 5 | 1072 | 16 | 1023 |
Note:Dimensions identical with PN40 from DN10 to DN40.