PN40带颈平焊法兰的尺寸 ~ EN1092-1
发布时间:2017-04-01 点击数:8812
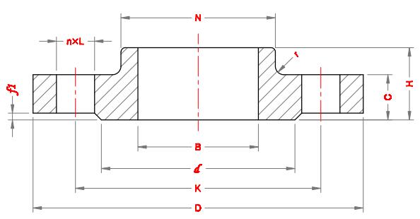
PN40 带颈平焊法兰的尺寸 ~ EN1092-1
| DN | Pipe OD A/ mm |
Connection Dimension | Flange thickness C/ mm |
Length of Flange H/ mm |
Face | Neck | Bore diameter B/ mm |
||||||
| Outside Diameter D/ mm |
Diameter of Bolt Circle K/ mm |
Diameter of Bolt Holes L/ mm |
Bolt | ||||||||||
| No. n/ pcs |
Size | d/ m | f1/ m | N/ mm | r/ mm | ||||||||
| 10 | 17.2 | 90 | 60 | 14 | 4 | M12 | 16 | 22 | 40 | 2 | 30 | 4 | 18.0 |
| 15 | 21.3 | 95 | 65 | 14 | 4 | M12 | 16 | 22 | 45 | 2 | 35 | 4 | 22.0 |
| 20 | 26.9 | 105 | 75 | 14 | 4 | M12 | 18 | 26 | 58 | 2 | 45 | 4 | 27.5 |
| 25 | 33.7 | 115 | 85 | 14 | 4 | M12 | 18 | 28 | 68 | 2 | 52 | 4 | 34.5 |
| 32 | 42.4 | 140 | 100 | 18 | 4 | M16 | 18 | 30 | 78 | 2 | 60 | 6 | 43.5 |
| 40 | 48.3 | 150 | 110 | 18 | 4 | M16 | 18 | 32 | 88 | 3 | 70 | 6 | 49.5 |
| 50 | 60.3 | 165 | 125 | 18 | 4 | M16 | 20 | 34 | 102 | 3 | 84 | 6 | 61.5 |
| 65 | 76.1 | 185 | 145 | 18 | 8 | M16 | 22 | 38 | 122 | 3 | 104 | 6 | 77.5 |
| 80 | 88.9 | 200 | 160 | 18 | 8 | M16 | 24 | 40 | 138 | 3 | 118 | 8 | 90.5 |
| 100 | 114.3 | 235 | 190 | 22 | 8 | M20 | 24 | 44 | 162 | 3 | 145 | 8 | 116.0 |
| 125 | 141.3 | 270 | 220 | 26 | 8 | M24 | 26 | 48 | 188 | 3 | 170 | 8 | 141.5 |
| 150 | 168.3 | 300 | 250 | 26 | 8 | M24 | 28 | 52 | 218 | 3 | 200 | 10 | 170.5 |
| 200 | 219.1 | 375 | 320 | 30 | 12 | M27 | 34 | 52 | 285 | 3 | 260 | 10 | 221.5 |
| 250 | 273.0 | 450 | 385 | 33 | 12 | M30 | 38 | 60 | 345 | 3 | 312 | 12 | 276.5 |
| 300 | 323.9 | 515 | 450 | 33 | 16 | M30 | 42 | 67 | 410 | 4 | 380 | 12 | 327.5 |
| 350 | 355.6 | 580 | 510 | 36 | 16 | M33 | 46 | 72 | 465 | 4 | 424 | 12 | 359.5 |
| 400 | 406.4 | 660 | 585 | 39 | 16 | M36 | 50 | 78 | 535 | 4 | 478 | 12 | 411.0 |
| 450 | 457 | 685 | 610 | 39 | 20 | M36 | 57 | 84 | 560 | 4 | 522 | 12 | 462.0 |
| 500 | 508 | 755 | 670 | 42 | 20 | M39 | 57 | 90 | 615 | 4 | 576 | 12 | 513.5 |
| 600 | 610 | 890 | 795 | 48 | 20 | M45 | 72 | 100 | 735 | 5 | 686 | 12 | 616.5 |