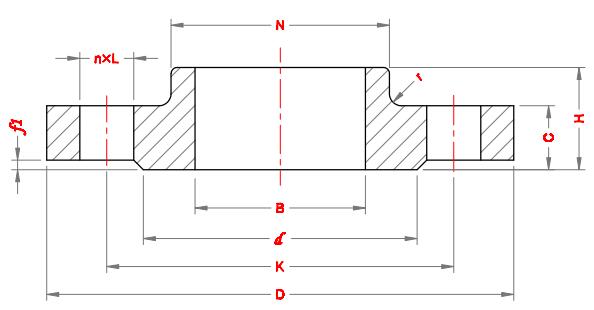
PN63带颈平焊法兰的尺寸 ~ EN1092-1
发布时间:2017-04-01 点击数:6684
PN63带颈平焊法兰的尺寸 ~ EN1092-1
| DN | Pipe OD A/ mm |
Connection Dimension | Flange thickness C/ mm |
Length of Flange H/ mm |
Face | Neck | Bore diameter B/ mm |
||||||
| Outside Diameter D/ mm |
Diameter of Bolt Circle K/ mm |
Diameter of Bolt Holes L/ mm |
Bolt | ||||||||||
| No. n/ pcs |
Size | d/ m | f1/ m | N/ mm | r/ mm | ||||||||
| 10 | 17.2 | 100 | 70 | 14 | 4 | M12 | 20 | 28 | 40 | 2 | 40 | 4 | 18.0 |
| 15 | 21.3 | 105 | 75 | 14 | 4 | M12 | 20 | 28 | 45 | 2 | 43 | 4 | 22.0 |
| 20 | 26.9 | 130 | 90 | 18 | 4 | M16 | 20 | 30 | 58 | 2 | 52 | 4 | 27.5 |
| 25 | 33.7 | 140 | 100 | 18 | 4 | M16 | 24 | 32 | 68 | 2 | 60 | 4 | 34.5 |
| 32 | 42.4 | 155 | 110 | 22 | 4 | M20 | 24 | 32 | 78 | 2 | 68 | 6 | 43.5 |
| 40 | 48.3 | 170 | 125 | 22 | 4 | M20 | 26 | 34 | 88 | 3 | 80 | 6 | 49.5 |
| 50 | 60.3 | 180 | 135 | 22 | 4 | M20 | 26 | 36 | 102 | 3 | 90 | 6 | 61.5 |
| 65 | 76.1 | 205 | 160 | 22 | 8 | M20 | 26 | 40 | 122 | 3 | 112 | 6 | 77.5 |
| 80 | 88.9 | 215 | 170 | 22 | 8 | M20 | 28 | 44 | 138 | 3 | 125 | 8 | 90.5 |
| 100 | 114.3 | 250 | 200 | 26 | 8 | M24 | 30 | 52 | 162 | 3 | 152 | 8 | 116.0 |
| 125 | 141.3 | 295 | 240 | 30 | 8 | M27 | 34 | 56 | 188 | 3 | 185 | 8 | 141.5 |
| 150 | 168.3 | 345 | 280 | 33 | 8 | M30 | 36 | 60 | 218 | 3 | 215 | 10 | 170.5 |
Note:Dimensions identical with PN100 from DN10 to DN40.