Class 150承插焊法兰的尺寸~ASME B16.5
发布时间:2023-01-25 点击数:1841
Class 150承插焊法兰的尺寸~ASME B16.5


| DN | NPS | 法兰 外径 |
法兰 内径 |
法兰厚度(Min.) | 法兰 高度 |
承插孔 直径 |
承插孔 深度 |
颈部 直径 | 密封面 直径 |
密封面 高度 |
螺栓孔 直径 (mm / in.) |
螺栓 孔数 |
螺栓 规格 ( in.) |
螺栓孔中心圆直径 |
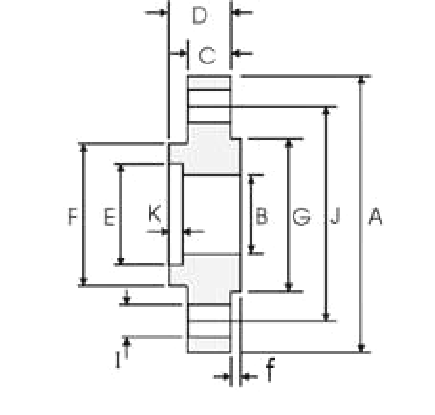
| A | B | C | D | E | K | F | G | f | I | J | ||||
| 15 | 1/2 | 90 | 15.8 | 9.6 | 14 | 22.2 | 10 | 30 | 34.9 | 2 | 15.9 (5/8) | 4 | 1/2 | 60.3 |
| 20 | 3/4 | 100 | 20.9 | 11.2 | 14 | 27.7 | 11 | 38 | 42.9 | 2 | 15.9 (5/8) | 4 | 1/2 | 69.9 |
| 25 | 1 | 110 | 26.6 | 12.7 | 16 | 34.5 | 13 | 49 | 50.8 | 2 | 15.9 (5/8) | 4 | 1/2 | 79.4 |
| 32 | 1 ¼ | 115 | 35.1 | 14.3 | 19 | 43.2 | 14 | 59 | 63.5 | 2 | 15.9 (5/8) | 4 | 1/2 | 88.9 |
| 40 | 1 ½ | 125 | 40.9 | 15.9 | 21 | 49.5 | 16 | 65 | 73.0 | 2 | 15.9 (5/8) | 4 | 1/2 | 98.4 |
| 50 | 2 | 150 | 52.5 | 17.5 | 24 | 61.9 | 17 | 78 | 92.1 | 2 | 19.1 (3/4) | 4 | 5/8 | 120.7 |
| 65 | 2 ½ | 180 | 62.7 | 20.7 | 27 | 74.6 | 19 | 90 | 104.8 | 2 | 19.1 (3/4) | 4 | 5/8 | 139.7 |
| 80 | 3 | 190 | 77.9 | 22.3 | 29 | 90.7 | 21 | 108 | 127.0 | 2 | 19.1 (3/4) | 4 | 5/8 | 152.4 |
法兰内径B由采购方指定,表列内径相当于采用钢管壁厚STD。
相关链接:
承插焊法兰的尺寸表 - Class300 ASME B16.5