Class 1500承插焊法兰的尺寸~ASME B16.5
发布时间:2023-01-25 点击数:1035
Class 1500承插焊法兰的尺寸~ASME B16.5


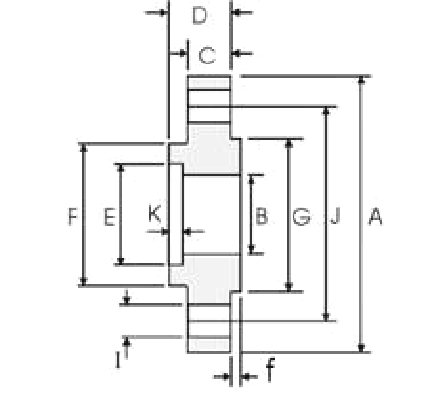
| DN | NPS | 法兰 外径 |
法兰 内径 |
法兰厚度(Min.) | 法兰 高度 |
承插孔 直径 |
承插孔 深度 |
颈部 直径 | 密封面 直径 |
密封面 高度 |
螺栓孔 直径 (mm / in.) |
螺栓 孔数 |
螺栓 规格 ( in.) |
螺栓孔中心圆直径 |
| A | B | C | D | E | K | F | G | I | J | |||||
| 15 | 1/2 | 120 | 22.3 | 32 | 22.2 | 10 | 38 | 34.9 | 7 | 22.2 (7/8) | 4 | 3/4 | 82.6 | |
| 20 | 3/4 | 130 | 25.4 | 35 | 27.7 | 11 | 44 | 42.9 | 7 | 22.2 (7/8) | 4 | 3/4 | 88.9 | |
| 25 | 1 | 150 | 28.6 | 41 | 34.5 | 13 | 52 | 50.8 | 7 | 25.4 (1) | 4 | 7/8 | 101.6 | |
| 32 | 1 ¼ | 160 | 28.6 | 41 | 43.2 | 14 | 64 | 63.5 | 7 | 25.4 (1) | 4 | 7/8 | 111.1 | |
| 40 | 1 ½ | 180 | 31.8 | 44 | 49.5 | 16 | 70 | 73.0 | 7 | 28.6 (1-1/8) | 4 | 1 | 123.8 | |
| 50 | 2 | 215 | 38.1 | 57 | 61.9 | 17 | 105 | 92.1 | 7 | 25.4 (1) | 8 | 7/8 | 165.1 | |
| 65 | 2 ½ | 245 | 41.3 | 64 | 74.6 | 19 | 124 | 104.8 | 7 | 28.6 (1-1/8) | 8 | 1 | 190.5 |
法兰内径B由采购方指定。
相关链接:
承插焊法兰的尺寸表 - Class150 ASME B16.5