Class 300承插焊法兰的尺寸~ASME B16.5
发布时间:2023-01-25 点击数:1322
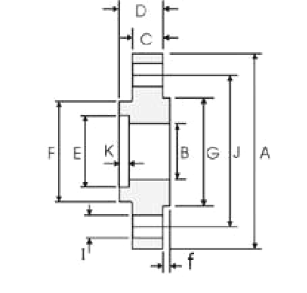
Class 300承插焊法兰的尺寸~ASME B16.5


| DN | NPS | 法兰 外径 |
法兰 内径 |
法兰厚度(Min.) | 法兰 高度 |
承插孔 直径 |
承插孔 深度 |
颈部 直径 | 密封面 直径 |
密封面 高度 |
螺栓孔 直径 (mm / in.) |
螺栓 孔数 |
螺栓 规格 ( in.) |
螺栓孔中心圆直径 |
| A | B | C | D | E | K | F | G | f | I | J | ||||
| 15 | 1/2 | 95 | 15.8 | 12.7 | 21 | 22.2 | 10 | 38 | 34.9 | 2 | 15.9 (5/8) | 4 | 1/2 | 66.7 |
| 20 | 3/4 | 115 | 20.9 | 14.3 | 24 | 27.7 | 11 | 48 | 42.9 | 2 | 19.1 (3/4) | 4 | 5/8 | 82.6 |
| 25 | 1 | 125 | 26.6 | 15.9 | 25 | 34.5 | 13 | 54 | 50.8 | 2 | 19.1 (3/4) | 4 | 5/8 | 88.9 |
| 32 | 1 ¼ | 135 | 35.1 | 17.5 | 25 | 43.2 | 14 | 64 | 63.5 | 2 | 19.1 (3/4) | 4 | 5/8 | 98.4 |
| 40 | 1 ½ | 155 | 40.9 | 19.1 | 29 | 49.5 | 16 | 70 | 73.0 | 2 | 22.2 (7/8) | 4 | 3/4 | 114.3 |
| 50 | 2 | 165 | 52.5 | 20.7 | 32 | 61.9 | 17 | 84 | 92.1 | 2 | 19.1 (3/4) | 8 | 5/8 | 127.0 |
| 65 | 2 ½ | 190 | 62.7 | 23.9 | 37 | 74.6 | 19 | 100 | 104.8 | 2 | 22.2 (7/8) | 8 | 3/4 | 149.2 |
| 80 | 3 | 210 | 77.9 | 27 | 41 | 90.7 | 21 | 117 | 127.0 | 2 | 22.2 (7/8) | 8 | 3/4 | 168.3 |
法兰内径B由采购方指定,表列内径相当于采用钢管壁厚STD。
相关链接:
承插焊法兰的尺寸表 - Class150 ASME B16.5