Class300法兰盖(Blind Flange)的尺寸~ASME B16.5
发布时间:2015-12-11 点击数:6075
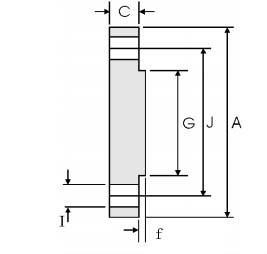
Class300法兰盖(Blind Flange)的尺寸~ASME B16.5

| DN | NPS | 法兰外径 | 法兰厚度 (最小值) |
密封面 厚度 |
密封面 直径 |
螺栓孔 直径 |
螺栓孔 数量 |
螺栓规格(英寸) | 螺栓孔中心圆直径 |
| A | C | f | G | I | n | J | |||
| 15 | 1/2 | 95 | 12.7 | 2 | 34.9 | 15.7 | 4 | 1/2 | 66.7 |
| 20 | 3/4 | 115 | 14.3 | 2 | 42.9 | 19.0 | 4 | 5/8 | 82.6 |
| 25 | 1 | 125 | 15.9 | 2 | 50.8 | 19.0 | 4 | 5/8 | 88.9 |
| 32 | 1 ¼ | 135 | 17.5 | 2 | 63.5 | 19.0 | 4 | 5/8 | 98.4 |
| 40 | 1 ½ | 155 | 19.1 | 2 | 73.0 | 22.3 | 4 | 3/4 | 114.3 |
| 50 | 2 | 165 | 20.7 | 2 | 92.1 | 19.0 | 8 | 5/8 | 127.0 |
| 65 | 2 ½ | 190 | 23.9 | 2 | 104.8 | 22.3 | 8 | 3/4 | 149.2 |
| 80 | 3 | 210 | 27.0 | 2 | 127.0 | 22.3 | 8 | 3/4 | 168.3 |
| 90 | 3 ½ | 230 | 28.6 | 2 | 139.7 | 22.3 | 8 | 3/4 | 184.2 |
| 100 | 4 | 255 | 30.2 | 2 | 157.2 | 22.3 | 8 | 3/4 | 200.0 |
| 125 | 5 | 280 | 33.4 | 2 | 185.7 | 22.3 | 8 | 3/4 | 235.0 |
| 150 | 6 | 320 | 35.0 | 2 | 215.9 | 22.3 | 12 | 3/4 | 269.9 |
| 200 | 8 | 380 | 39.7 | 2 | 269.9 | 25.4 | 12 | 7/8 | 330.2 |
| 250 | 10 | 445 | 46.1 | 2 | 323.8 | 28.4 | 16 | 1 | 387.4 |
| 300 | 12 | 520 | 49.3 | 2 | 381.0 | 31.7 | 16 | 11⁄8 | 450.8 |
| 350 | 14 | 585 | 52.4 | 2 | 412.8 | 31.7 | 20 | 11⁄8 | 514.4 |
| 400 | 16 | 650 | 55.6 | 2 | 469.9 | 35.0 | 20 | 11⁄4 | 571.5 |
| 450 | 18 | 710 | 58.8 | 2 | 533.4 | 35.0 | 24 | 11⁄4 | 628.6 |
| 500 | 20 | 775 | 62.0 | 2 | 584.2 | 35.0 | 24 | 11⁄4 | 685.8 |
| 600 | 24 | 915 | 68.3 | 2 | 692.2 | 41.1 | 24 | 11⁄2 | 812.8 |
相关链接: