Class1500法兰盖(Blind Flange)的尺寸~ASME B16.5
发布时间:2015-12-12 点击数:3543
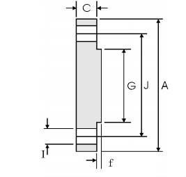
Class1500法兰盖(Blind Flange)的尺寸~ASME B16.5

| DN | NPS | 法兰外径 | 法兰厚度 (最小值) |
密封面 厚度 |
密封面 直径 |
螺栓孔 直径 |
螺栓孔 数量 |
螺栓规格(英寸) | 螺栓孔中心圆直径 |
| A | C | f | G | I | n | J | |||
| 15 | 1/2 | 120 | 22.3 | 7 | 34.9 | 22.3 | 4 | 3/4 | 82.6 |
| 20 | 3/4 | 130 | 25.4 | 7 | 42.9 | 22.3 | 4 | 3/4 | 88.9 |
| 25 | 1 | 150 | 28.6 | 7 | 50.8 | 25.4 | 4 | 7/8 | 101.6 |
| 32 | 1 ¼ | 160 | 28.6 | 7 | 63.5 | 25.4 | 4 | 7/8 | 111.1 |
| 40 | 1 ½ | 180 | 31.8 | 7 | 73.0 | 28.4 | 4 | 1 | 123.8 |
| 50 | 2 | 215 | 38.1 | 7 | 92.1 | 25.4 | 8 | 7/8 | 165.1 |
| 65 | 2 ½ | 245 | 41.3 | 7 | 104.8 | 28.4 | 8 | 1 | 190.5 |
| 80 | 3 | 265 | 47.7 | 7 | 127.0 | 31.7 | 8 | 11⁄8 | 203.2 |
| 100 | 4 | 310 | 54.0 | 7 | 157.2 | 35.0 | 8 | 11⁄4 | 241.3 |
| 125 | 5 | 375 | 73.1 | 7 | 185.7 | 41.1 | 8 | 11⁄2 | 292.1 |
| 150 | 6 | 395 | 82.6 | 7 | 215.9 | 38.1 | 12 | 13⁄8 | 317.5 |
| 200 | 8 | 485 | 92.1 | 7 | 269.9 | 44.4 | 12 | 15⁄8 | 393.7 |
| 250 | 10 | 585 | 108.0 | 7 | 323.8 | 50.8 | 12 | 17⁄8 | 482.6 |
| 300 | 12 | 675 | 123.9 | 7 | 381.0 | 53.8 | 16 | 2 | 571.5 |
| 350 | 14 | 750 | 133.4 | 7 | 412.8 | 60.5 | 16 | 21⁄4 | 635.0 |
| 400 | 16 | 825 | 146.1 | 7 | 469.9 | 66.6 | 16 | 21⁄2 | 704.8 |
| 450 | 18 | 915 | 162.0 | 7 | 533.4 | 73.2 | 16 | 23⁄4 | 774.7 |
| 500 | 20 | 985 | 177.8 | 7 | 584.2 | 79.3 | 16 | 3 | 831.8 |
| 600 | 24 | 1170 | 203.2 | 7 | 692.2 | 91.9 | 16 | 31⁄2 | 990.6 |
相关链接: