Class2500法兰盖(Blind Flange)的尺寸~ASME B16.5
发布时间:2015-12-12 点击数:3270
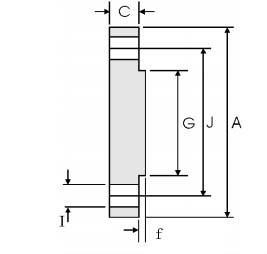
Class2500法兰盖(Blind Flange)的尺寸~ASME B16.5

| DN | NPS | 法兰外径 | 法兰厚度 (最小值) |
密封面 厚度 |
密封面 直径 |
螺栓孔 直径 |
螺栓孔 数量 |
螺栓规格(英寸) | 螺栓孔中心圆直径 |
| A | C | f | G | I | n | J | |||
| 15 | 1/2 | 135 | 30.2 | 7 | 34.9 | 22.3 | 4 | 3/4 | 88.9 |
| 20 | 3/4 | 140 | 31.8 | 7 | 42.9 | 22.3 | 4 | 3/4 | 95.2 |
| 25 | 1 | 160 | 35.0 | 7 | 50.8 | 25.4 | 4 | 7/8 | 108.0 |
| 32 | 1 ¼ | 185 | 38.1 | 7 | 63.5 | 28.4 | 4 | 1 | 130.2 |
| 40 | 1 ½ | 205 | 44.5 | 7 | 73.0 | 31.8 | 4 | 11⁄8 | 146.0 |
| 50 | 2 | 235 | 50.9 | 7 | 92.1 | 28.4 | 8 | 1 | 171.4 |
| 65 | 2 ½ | 265 | 57.2 | 7 | 104.8 | 31.8 | 8 | 11⁄8 | 196.8 |
| 80 | 3 | 305 | 66.7 | 7 | 127.0 | 35.1 | 8 | 11⁄4 | 228.6 |
| 100 | 4 | 355 | 76.2 | 7 | 157.2 | 41.1 | 8 | 11⁄2 | 273.0 |
| 125 | 5 | 420 | 92.1 | 7 | 185.7 | 47.8 | 8 | 13⁄4 | 323.8 |
| 150 | 6 | 485 | 108.0 | 7 | 215.9 | 53.8 | 8 | 2 | 368.3 |
| 200 | 8 | 550 | 127.0 | 7 | 269.9 | 53.8 | 12 | 2 | 438.2 |
| 250 | 10 | 675 | 165.1 | 7 | 323.8 | 66.6 | 12 | 21⁄2 | 539.8 |
| 300 | 12 | 760 | 184.2 | 7 | 381.0 | 73.2 | 12 | 23⁄4 | 619.1 |
相关链接: