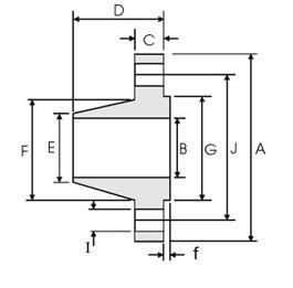
Class150带颈对焊法兰的尺寸表 - ASME B16.5
发布时间:2015-12-12 点击数:9553
Class150带颈对焊法兰的尺寸表 - ASME B16.5

| DN | NPS | 法兰 外径 |
法兰 内径 |
法兰厚度(Min.) | 法兰 高度 |
坡口处 外径 |
径部 直径 |
密封面 直径 |
密封面高度 | 螺栓孔数 | 螺孔孔直径 | 螺栓孔中心圆直径 |
| A | B | C | D | E | F | G | f | n | I | J | ||
| 15 | 1/2 | 90 | 15.8 | 9.6 | 46 | 21.3 | 30 | 34.9 | 2 | 4 | 15.7 | 60.3 |
| 20 | 3/4 | 100 | 20.9 | 11.2 | 51 | 26.7 | 38 | 42.9 | 2 | 4 | 15.7 | 69.9 |
| 25 | 1 | 110 | 26.6 | 12.7 | 54 | 33.4 | 49 | 50.8 | 2 | 4 | 15.7 | 79.4 |
| 32 | 1 ¼ | 115 | 35.1 | 14.3 | 56 | 42.2 | 59 | 63.5 | 2 | 4 | 15.7 | 88.9 |
| 40 | 1 ½ | 125 | 40.9 | 15.9 | 60 | 48.3 | 65 | 73.0 | 2 | 4 | 15.7 | 98.4 |
| 50 | 2 | 150 | 52.5 | 17.5 | 62 | 60.3 | 78 | 92.1 | 2 | 4 | 19.1 | 120.7 |
| 65 | 2 ½ | 180 | 62.7 | 20.7 | 68 | 73.0 | 90 | 104.8 | 2 | 4 | 19.1 | 139.7 |
| 80 | 3 | 190 | 77.9 | 22.3 | 68 | 88.9 | 108 | 127.0 | 2 | 4 | 19.1 | 152.4 |
| 90 | 3 ½ | 215 | 90.1 | 22.3 | 70 | 101.6 | 122 | 139.7 | 2 | 8 | 19.1 | 177.8 |
| 100 | 4 | 230 | 102.3 | 22.3 | 75 | 114.3 | 135 | 157.2 | 2 | 8 | 19.1 | 190.5 |
| 125 | 5 | 255 | 128.2 | 22.3 | 87 | 141.3 | 164 | 185.7 | 2 | 8 | 22.4 | 215.9 |
| 150 | 6 | 280 | 154.1 | 23.9 | 87 | 168.3 | 192 | 215.9 | 2 | 8 | 22.4 | 241.3 |
| 200 | 8 | 345 | 202.7 | 27.0 | 100 | 219.1 | 246 | 269.9 | 2 | 8 | 22.4 | 298.5 |
| 250 | 10 | 405 | 254.6 | 28.6 | 100 | 273.0 | 305 | 323.8 | 2 | 12 | 25.4 | 362.0 |
| 300 | 12 | 485 | 304.8 | 30.2 | 113 | 323.8 | 365 | 381.0 | 2 | 12 | 25.4 | 431.8 |
| 350 | 14 | 535 | - | 33.4 | 125 | 355.6 | 400 | 412.8 | 2 | 12 | 28.4 | 476.3 |
| 400 | 16 | 595 | - | 35.0 | 125 | 406.4 | 457 | 469.9 | 2 | 16 | 28.4 | 539.8 |
| 450 | 18 | 635 | - | 38.1 | 138 | 457.0 | 505 | 533.4 | 2 | 16 | 31.8 | 577.9 |
| 500 | 20 | 700 | - | 41.3 | 143 | 508.0 | 559 | 584.2 | 2 | 20 | 31.8 | 635.0 |
| 600 | 24 | 815 | - | 46.1 | 151 | 610.0 | 663 | 692.2 | 2 | 20 | 35.1 | 749.3 |
法兰内径B由采购方指定,表列内径相当于采用钢管壁厚STD。