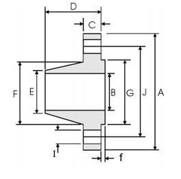
Class300带颈对焊法兰的尺寸表 - ASME B16.5
发布时间:2015-12-12 点击数:6590
Class300带颈对焊法兰的尺寸表 - ASME B16.5

| DN | NPS | 法兰 外径 |
法兰 内径 |
法兰厚度(Min.) | 法兰 高度 |
坡口处 外径 |
径部 直径 |
密封面 直径 |
密封面高度 | 螺栓孔数 | 螺孔孔直径 | 螺栓孔中心圆直径 |
| A | B | C | D | E | F | G | f | n | I | J | ||
| 15 | 1/2 | 95 | 15.8 | 12.7 | 51 | 21.3 | 38 | 34.9 | 2 | 4 | 15.7 | 66.7 |
| 20 | 3/4 | 115 | 20.9 | 14.3 | 56 | 26.7 | 48 | 42.9 | 2 | 4 | 19.0 | 82.6 |
| 25 | 1 | 125 | 26.6 | 15.9 | 60 | 33.4 | 54 | 50.8 | 2 | 4 | 19.0 | 88.9 |
| 32 | 1 ¼ | 135 | 35.1 | 17.5 | 64 | 42.2 | 64 | 63.5 | 2 | 4 | 19.0 | 98.4 |
| 40 | 1 ½ | 155 | 40.9 | 19.1 | 67 | 48.3 | 70 | 73 | 2 | 4 | 22.3 | 114.3 |
| 50 | 2 | 165 | 52.5 | 20.7 | 68 | 60.3 | 84 | 92.1 | 2 | 8 | 19.0 | 127.0 |
| 65 | 2 ½ | 190 | 62.7 | 23.9 | 75 | 73.0 | 100 | 104.8 | 2 | 8 | 22.3 | 149.2 |
| 80 | 3 | 210 | 77.9 | 27.0 | 78 | 88.9 | 117 | 127 | 2 | 8 | 22.3 | 168.3 |
| 90 | 3 ½ | 230 | 90.1 | 28.6 | 79 | 101.6 | 133 | 139.7 | 2 | 8 | 22.3 | 184.2 |
| 100 | 4 | 255 | 102.3 | 30.2 | 84 | 114.3 | 146 | 157.2 | 2 | 8 | 22.3 | 200.0 |
| 125 | 5 | 280 | 128.2 | 33.4 | 97 | 141.3 | 178 | 185.7 | 2 | 8 | 22.3 | 235.0 |
| 150 | 6 | 320 | 154.1 | 35.0 | 97 | 168.3 | 206 | 215.9 | 2 | 12 | 22.3 | 269.9 |
| 200 | 8 | 380 | 202.7 | 39.7 | 110 | 219.1 | 260 | 269.9 | 2 | 12 | 25.4 | 330.2 |
| 250 | 10 | 445 | 254.6 | 46.1 | 116 | 273.0 | 321 | 323.8 | 2 | 16 | 28.4 | 387.4 |
| 300 | 12 | 520 | 304.8 | 49.3 | 129 | 323.8 | 375 | 381 | 2 | 16 | 31.7 | 450.8 |
| 350 | 14 | 585 | - | 52.4 | 141 | 355.6 | 425 | 412.8 | 2 | 20 | 31.7 | 514.4 |
| 400 | 16 | 650 | - | 55.6 | 144 | 406.4 | 483 | 469.9 | 2 | 20 | 35.0 | 571.5 |
| 450 | 18 | 710 | - | 58.8 | 157 | 457.0 | 533 | 533.4 | 2 | 24 | 35.0 | 628.6 |
| 500 | 20 | 775 | - | 62.0 | 160 | 508.0 | 587 | 584.2 | 2 | 24 | 35.0 | 685.8 |
| 600 | 24 | 915 | - | 68.3 | 167 | 610.0 | 702 | 692.2 | 2 | 24 | 41.1 | 812.8 |
法兰内径B由采购方指定,表列内径相当于采用钢管壁厚STD。