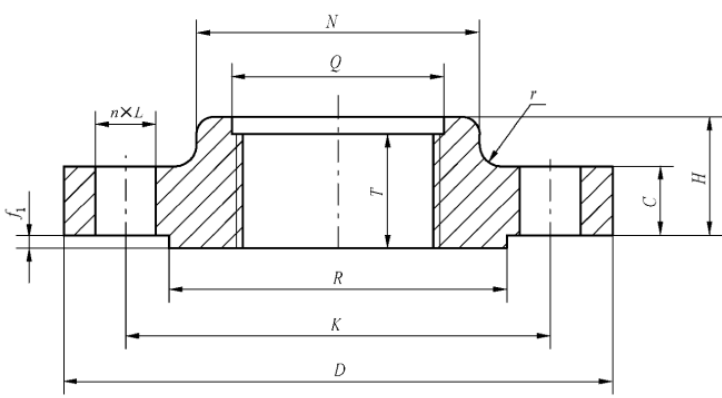
Class150螺纹法兰的尺寸~GB/T 9124.2-2019
发布时间:2023-04-22 点击数:849
Class150螺纹法兰的尺寸~GB/T 9124.2-2019

| 公称尺寸 | 钢管 外径 A / mm |
连接尺寸 | 法兰 厚度 C/ mm |
法兰 高度 H/ mm |
颈部 | 最小螺纹长度 Tmin/ mm |
最小沉孔直径 Qmin/ mm |
密封面 直径 R/ mm |
密封面 厚度 f1/ mm |
||||||
| DN | NPS | 法兰 外径 D/ mm |
螺栓孔中心圆直径 K/ mm |
螺栓孔直径 L/ mm |
螺栓 | ||||||||||
| 数量 n/个 |
螺纹 规格 |
N/ mm | r/ mm | ||||||||||||
| 15 | 1/2 | 21.3 | 90 | 60.3 | 16 | 4 | M14 | 9.6 | 14 | 30 | ≥4 | 16 | 34.9 | 2 | |
| 20 | 3/4 | 26.9 | 100 | 69.9 | 16 | 4 | M14 | 11.2 | 14 | 38 | ≥4 | 16 | 42.9 | 2 | |
| 25 | 1 | 33.7 | 110 | 79.4 | 16 | 4 | M14 | 12.7 | 16 | 49 | ≥4 | 17 | 50.8 | 2 | |
| 32 | 1 ¼ | 42.4 | 115 | 88.9 | 16 | 4 | M14 | 14.3 | 19 | 59 | ≥4 | 21 | 63.5 | 2 | |
| 40 | 1 ½ | 48.3 | 125 | 98.4 | 16 | 4 | M14 | 15.9 | 21 | 65 | ≥4 | 22 | 73.0 | 2 | |
| 50 | 2 | 60.3 | 150 | 120.7 | 19 | 4 | M16 | 17.5 | 24 | 78 | ≥4 | 25 | 92.1 | 2 | |
| 65 | 2 ½ | 73.0 | 180 | 139.7 | 19 | 4 | M16 | 20.7 | 27 | 90 | ≥4 | 29 | 104.8 | 2 | |
| 80 | 3 | 88.9 | 190 | 152.4 | 19 | 4 | M16 | 22.3 | 29 | 108 | ≥4 | 30 | 127.0 | 2 | |
| 100 | 4 | 114.3 | 230 | 190.5 | 19 | 8 | M16 | 22.3 | 32 | 135 | ≥4 | 33 | 157.2 | 2 | |
| 125 | 5 | 141.3 | 255 | 215.9 | 22 | 8 | M20 | 22.3 | 35 | 164 | ≥4 | 36 | 185.7 | 2 | |
| 150 | 6 | 168.3 | 280 | 241.3 | 22 | 8 | M20 | 23.9 | 38 | 192 | ≥4 | 40 | 215.9 | 2 | |
| 200 | 8 | 219.1 | 345 | 298.5 | 22 | 8 | M20 | 27.0 | 43 | 246 | ≥4 | 44 | 269.9 | 2 | |
| 250 | 10 | 273.0 | 405 | 362.0 | 26 | 12 | M24 | 28.6 | 48 | 305 | ≥4 | 49 | 323.8 | 2 | |
| 300 | 12 | 323.8 | 485 | 431.8 | 26 | 12 | M24 | 30.2 | 54 | 365 | ≥4 | 56 | 381.0 | 2 | |
| 350 | 14 | 355.6 | 535 | 476.3 | 29 | 12 | M27 | 33.4 | 56 | 400 | ≥4 | 57 | 412.8 | 2 | |
| 400 | 16 | 406.4 | 595 | 539.8 | 29 | 16 | M27 | 35.0 | 62 | 457 | ≥4 | 64 | 469.9 | 2 | |
| 450 | 18 | 457 | 635 | 577.9 | 32 | 16 | M30 | 38.1 | 67 | 505 | ≥4 | 68 | 533.4 | 2 | |
| 500 | 20 | 508 | 700 | 635.0 | 32 | 20 | M30 | 41.3 | 71 | 559 | ≥4 | 73 | 584.2 | 2 | |
| 550 | 22 | 559 | 750 | 692.2 | 35 | 20 | M33 | 44.5 | 78 | 610 | ≥4 | - | 641.4 | 2 | |
| 600 | 24 | 610 | 815 | 749.3 | 35 | 20 | M33 | 46.1 | 81 | 663 | ≥4 | 83 | 692.2 | 2 | |