Class600螺纹法兰的尺寸~GB/T 9124.2-2019
发布时间:2023-04-22 点击数:829
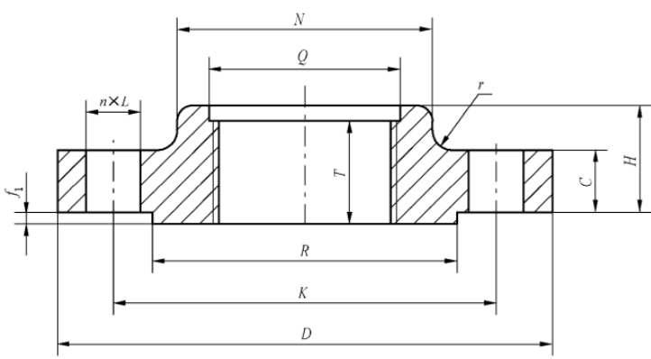
Class600螺纹法兰的尺寸~GB/T 9124.2-2019

| 公称尺寸 | 钢管 外径 A / mm |
连接尺寸 | 法兰 厚度 C/ mm |
法兰 高度 H/ mm |
颈部 | 最小螺纹长度 Tmin/ mm |
最小沉孔直径 Qmin/ mm |
密封面 直径 R/ mm |
密封面 厚度 f1/ mm |
||||||
| DN | NPS | 法兰 外径 D/ mm |
螺栓孔中心圆直径 K/ mm |
螺栓孔直径 L/ mm |
螺栓 | ||||||||||
| 数量 n/个 |
螺纹 规格 |
N/ mm | r/ mm | ||||||||||||
| 15 | 1/2 | 21.3 | 95 | 66.7 | 16 | 4 | 4 | 14.3 | 22 | 38 | ≥4 | 16 | 23.6 | 34.9 | 7 |
| 20 | 3/4 | 26.9 | 115 | 82.6 | 19 | 4 | 4 | 15.9 | 25 | 48 | ≥4 | 16 | 29.0 | 42.9 | 7 |
| 25 | 1 | 33.7 | 125 | 88.9 | 19 | 4 | 4 | 17.5 | 27 | 54 | ≥4 | 18 | 35.8 | 50.8 | 7 |
| 32 | 1 ¼ | 42.4 | 135 | 98.4 | 19 | 4 | 4 | 20.7 | 29 | 64 | ≥4 | 21 | 44.4 | 63.5 | 7 |
| 40 | 1 ½ | 48.3 | 155 | 114.3 | 22 | 4 | 4 | 22.3 | 32 | 70 | ≥4 | 23 | 50.6 | 73.0 | 7 |
| 50 | 2 | 60.3 | 165 | 127 | 19 | 8 | 8 | 25.4 | 37 | 84 | ≥4 | 29 | 63.5 | 92.1 | 7 |
| 65 | 2 ½ | 73.0 | 190 | 149.2 | 22 | 8 | 8 | 28.6 | 41 | 100 | ≥4 | 32 | 76.2 | 104.8 | 7 |
| 80 | 3 | 88.9 | 210 | 168.3 | 22 | 8 | 8 | 31.8 | 46 | 117 | ≥4 | 35 | 92.2 | 127.0 | 7 |
| 100 | 4 | 114.3 | 275 | 215.9 | 26 | 8 | 8 | 38.1 | 54 | 152 | ≥4 | 42 | 117.6 | 157.2 | 7 |
| 125 | 5 | 141.3 | 330 | 266.7 | 29 | 8 | 8 | 44.5 | 60 | 189 | ≥4 | 48 | 144.4 | 185.7 | 7 |
| 150 | 6 | 168.3 | 355 | 292.1 | 29 | 12 | 12 | 47.7 | 67 | 222 | ≥4 | 51 | 171.4 | 215.9 | 7 |
| 200 | 8 | 219.1 | 420 | 349.2 | 32 | 12 | 12 | 55.6 | 76 | 273 | ≥4 | 58 | 222.2 | 269.9 | 7 |
| 250 | 10 | 273.0 | 510 | 431.8 | 35 | 16 | 16 | 63.5 | 86 | 343 | ≥4 | 66 | 276.2 | 323.8 | 7 |
| 300 | 12 | 323.8 | 560 | 489 | 35 | 20 | 20 | 66.7 | 92 | 400 | ≥4 | 70 | 328.6 | 381.0 | 7 |
| 350 | 14 | 355.6 | 605 | 527 | 39 | 20 | 20 | 69.9 | 94 | 432 | ≥4 | 74 | 360.4 | 412.8 | 7 |
| 400 | 16 | 406.4 | 685 | 603.2 | 42 | 20 | 20 | 76.2 | 106 | 495 | ≥4 | 78 | 411.2 | 469.9 | 7 |
| 450 | 18 | 457 | 745 | 654 | 45 | 20 | 20 | 82.6 | 117 | 546 | ≥4 | 80 | 462.0 | 533.4 | 7 |
| 500 | 20 | 508 | 815 | 723.9 | 45 | 24 | 24 | 88.9 | 127 | 610 | ≥4 | 83 | 512.8 | 584.2 | 7 |
| 550 | 22 | 559 | 870 | 777.7 | 48 | 24 | 24 | 95.2 | 133 | 663 | ≥4 | - | - | 641.4 | 7 |
| 600 | 24 | 610 | 940 | 838.2 | 51 | 24 | 24 | 101.6 | 140 | 718 | ≥4 | 93 | 614.4 | 692.2 | 7 |