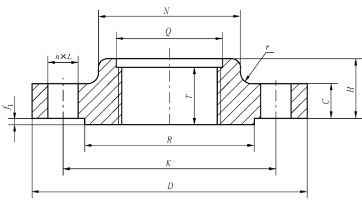
Class900螺纹法兰的尺寸~GB/T 9124.2-2019
发布时间:2023-04-22 点击数:590
Class900螺纹法兰的尺寸~GB/T 9124.2-2019

| 公称尺寸 | 钢管 外径 A / mm |
连接尺寸 | 法兰 厚度 C/ mm |
法兰 高度 H/ mm |
颈部 | 最小螺纹长度 Tmin/ mm |
最小沉孔直径 Qmin/ mm |
密封面 直径 R/ mm |
密封面 厚度 f1/ mm |
||||||
| DN | NPS | 法兰 外径 D/ mm |
螺栓孔中心圆直径 K/ mm |
螺栓孔直径 L/ mm |
螺栓 | ||||||||||
| 数量 n/个 |
螺纹 规格 |
N/ mm | r/ mm | ||||||||||||
| 15 | 1/2 | 21.3 | 120 | 82.6 | 22 | 4 | M20 | 22.3 | 32 | 38 | ≥4 | 23 | 23.6 | 34.9 | 7 |
| 20 | 3/4 | 26.9 | 130 | 88.9 | 22 | 4 | M20 | 25.4 | 35 | 44 | ≥4 | 26 | 29.0 | 42.9 | 7 |
| 25 | 1 | 33.7 | 150 | 101.6 | 26 | 4 | M24 | 28.6 | 41 | 52 | ≥4 | 29 | 35.8 | 50.8 | 7 |
| 32 | 1 ¼ | 42.4 | 160 | 111.1 | 26 | 4 | M24 | 28.6 | 41 | 64 | ≥4 | 31 | 44.4 | 63.5 | 7 |
| 40 | 1 ½ | 48.3 | 180 | 123.8 | 29 | 4 | M27 | 31.8 | 44 | 70 | ≥4 | 32 | 50.6 | 73.0 | 7 |
| 50 | 2 | 60.3 | 215 | 165.1 | 26 | 8 | M24 | 38.1 | 57 | 105 | ≥4 | 39 | 63.5 | 92.1 | 7 |
| 65 | 2 ½ | 73.0 | 245 | 190.5 | 29 | 8 | M27 | 41.3 | 64 | 124 | ≥4 | 48 | 76.2 | 104.8 | 7 |
| 80 | 3 | 88.9 | 240 | 190.5 | 26 | 8 | M24 | 38.1 | 54 | 127 | ≥4 | 42 | 92.2 | 127.0 | 7 |
| 100 | 4 | 114.3 | 290 | 235.0 | 32 | 8 | M30 | 44.5 | 70 | 159 | ≥4 | 48 | 117.6 | 157.2 | 7 |
| 125 | 5 | 141.3 | 350 | 279.4 | 35 | 8 | M33 | 50.8 | 79 | 190 | ≥4 | 54 | 144.4 | 185.7 | 7 |
| 150 | 6 | 168.3 | 380 | 317.5 | 32 | 12 | M30 | 55.6 | 86 | 235 | ≥4 | 58 | 171.4 | 215.9 | 7 |
| 200 | 8 | 219.1 | 470 | 393.7 | 39 | 12 | M36 | 63.5 | 102 | 298 | ≥4 | 64 | 222.2 | 269.9 | 7 |
| 250 | 10 | 273.0 | 545 | 469.9 | 39 | 16 | M36 | 69.9 | 108 | 368 | ≥4 | 72 | 276.2 | 323.8 | 7 |
| 300 | 12 | 323.8 | 610 | 533.4 | 39 | 20 | M36 | 79.4 | 117 | 419 | ≥4 | 77 | 328.6 | 381.0 | 7 |
| 350 | 14 | 355.6 | 640 | 558.8 | 42 | 20 | M39 | 85.8 | 130 | 451 | ≥4 | 83 | 360.4 | 412.8 | 7 |
| 400 | 16 | 406.4 | 705 | 616.0 | 45 | 20 | M42 | 88.9 | 133 | 508 | ≥4 | 86 | 411.2 | 469.9 | 7 |
| 450 | 18 | 457 | 785 | 685.8 | 51 | 20 | M48 | 101.6 | 152 | 565 | ≥4 | 89 | 462.0 | 533.4 | 7 |
| 500 | 20 | 508 | 855 | 749.3 | 55 | 20 | M52 | 108.0 | 159 | 622 | ≥4 | 93 | 512.8 | 584.2 | 7 |
| 600 | 24 | 610 | 1040 | 901.7 | 67 | 20 | M64 | 139.7 | 203 | 749 | ≥4 | 102 | 614.4 | 692.2 | 7 |