Class1500螺纹法兰的尺寸~GB/T 9124.2-2019
发布时间:2023-04-22 点击数:1073
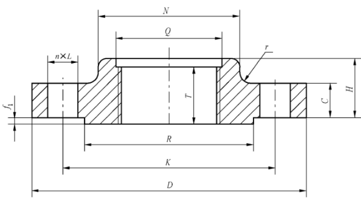
Class1500螺纹法兰的尺寸~GB/T 9124.2-2019

| 公称尺寸 | 钢管 外径 A / mm |
连接尺寸 | 法兰 厚度 C/ mm |
法兰 高度 H/ mm |
颈部 | 最小螺纹长度 Tmin/ mm |
最小沉孔直径 Qmin/ mm |
密封面 直径 R/ mm |
密封面 厚度 f1/ mm |
||||||
| DN | NPS | 法兰 外径 D/ mm |
螺栓孔中心圆直径 K/ mm |
螺栓孔直径 L/ mm |
螺栓 | ||||||||||
| 数量 n/个 |
螺纹 规格 |
N/ mm | r/ mm | ||||||||||||
| 15 | 1/2 | 21.3 | 120 | 82.6 | 22 | 4 | M20 | 22.3 | 32 | 38 | ≥4 | 23 | 23.6 | 34.9 | 7 |
| 20 | 3/4 | 26.9 | 130 | 88.9 | 22 | 4 | M20 | 25.4 | 35 | 44 | ≥4 | 26 | 29.0 | 42.9 | 7 |
| 25 | 1 | 33.7 | 150 | 101.6 | 26 | 4 | M24 | 28.6 | 41 | 52 | ≥4 | 29 | 35.8 | 50.8 | 7 |
| 32 | 1 ¼ | 42.4 | 160 | 111.1 | 26 | 4 | M24 | 28.6 | 41 | 64 | ≥4 | 31 | 44.4 | 63.5 | 7 |
| 40 | 1 ½ | 48.3 | 180 | 123.8 | 29 | 4 | M27 | 31.8 | 44 | 70 | ≥4 | 32 | 50.6 | 73.0 | 7 |
| 50 | 2 | 60.3 | 215 | 165.1 | 26 | 8 | M24 | 38.1 | 57 | 105 | ≥4 | 39 | 63.5 | 92.1 | 7 |
| 65 | 2 ½ | 73.0 | 245 | 190.5 | 29 | 8 | M27 | 41.3 | 64 | 124 | ≥4 | 48 | 76.2 | 104.8 | 7 |