Class2500螺纹法兰的尺寸~GB/T 9124.2-2019
发布时间:2023-04-22 点击数:1517
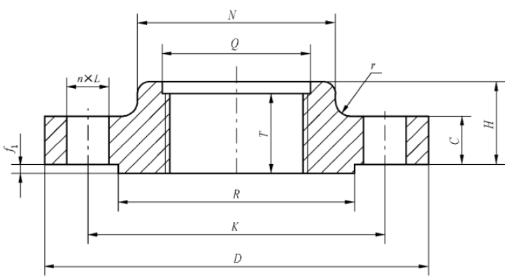
Class2500螺纹法兰的尺寸~GB/T 9124.2-2019

| 公称尺寸 | 钢管 外径 A / mm |
连接尺寸 | 法兰 厚度 C/ mm |
法兰 高度 H/ mm |
颈部 | 最小螺纹长度 Tmin/ mm |
最小沉孔直径 Qmin/ mm |
密封面 直径 R/ mm |
密封面 厚度 f1/ mm |
||||||
| DN | NPS | 法兰 外径 D/ mm |
螺栓孔中心圆直径 K/ mm |
螺栓孔直径 L/ mm |
螺栓 | ||||||||||
| 数量 n/个 |
螺纹 规格 |
N/ mm | r/ mm | ||||||||||||
| 15 | 1/2 | 21.3 | 135 | 88.9 | 22 | 4 | M20 | 30.2 | 40 | 43 | ≥4 | 29 | 23.6 | 34.9 | 7 |
| 20 | 3/4 | 26.9 | 140 | 95.2 | 22 | 4 | M20 | 31.8 | 43 | 51 | ≥4 | 32 | 29.0 | 42.9 | 7 |
| 25 | 1 | 33.7 | 160 | 108.0 | 26 | 4 | M24 | 35.0 | 48 | 57 | ≥4 | 35 | 35.8 | 50.8 | 7 |
| 32 | 1 ¼ | 42.4 | 185 | 130.2 | 29 | 4 | M27 | 38.1 | 52 | 73 | ≥4 | 39 | 44.4 | 63.5 | 7 |
| 40 | 1 ½ | 48.3 | 205 | 146.0 | 32 | 4 | M30 | 44.5 | 60 | 79 | ≥4 | 45 | 50.6 | 73.0 | 7 |
| 50 | 2 | 60.3 | 235 | 171.4 | 29 | 8 | M27 | 50.9 | 70 | 95 | ≥4 | 51 | 63.5 | 92.1 | 7 |
| 65 | 2 ½ | 73.0 | 265 | 196.8 | 32 | 8 | M30 | 57.2 | 79 | 114 | ≥4 | 58 | 76.2 | 104.8 | 7 |