PN6平焊环板式松套法兰的尺寸~GB/T 9124.1
发布时间:2023-01-26 点击数:816
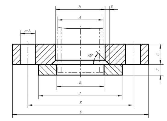
PN6平焊环板式松套法兰的尺寸~GB/T 9124.1

| DN | 钢管外径 A/ mm |
连接尺寸 | 法兰 厚度 C/ mm |
法兰内径 B/ mm |
平焊环 | ||||||||||
| 法兰 外径 D/ mm |
螺栓孔中心圆直径 K/ mm |
螺栓孔直径 L/ mm |
螺栓 | 外径 d/ mm |
内径B1/ mm | 厚度 F/ mm |
|||||||||
| 系列I | 系列II | 数量 n/个 |
螺纹 规格 |
系列I | 系列II | E/ mm |
系列I | 系列II | |||||||
| 10 | 17.2 | 14 | 75 | 50 | 11 | 4 | M10 | 12 | 21 | 18 | 3 | 35 | 18.0 | 15 | 10 |
| 15 | 21.3 | 18 | 80 | 55 | 11 | 4 | M10 | 12 | 25 | 22 | 3 | 40 | 22.0 | 19 | 10 |
| 20 | 26.9 | 25 | 90 | 65 | 11 | 4 | M10 | 14 | 31 | 29 | 4 | 50 | 27.5 | 26 | 10 |
| 25 | 33.7 | 32 | 100 | 75 | 11 | 4 | M10 | 14 | 38 | 36 | 4 | 60 | 34.5 | 33 | 10 |
| 32 | 42.4 | 38 | 120 | 90 | 14 | 4 | M12 | 16 | 46 | 42 | 5 | 70 | 43.5 | 39 | 10 |
| 40 | 48.3 | 45 | 130 | 100 | 14 | 4 | M12 | 16 | 53 | 50 | 5 | 80 | 49.5 | 46 | 10 |
| 50 | 60.3 | 57 | 140 | 110 | 14 | 4 | M12 | 16 | 65 | 63 | 5 | 90 | 61.5 | 59 | 12 |
| 65 | 73.0 | 76 | 160 | 130 | 14 | 4 | M12 | 16 | 81 | 81 | 6 | 110 | 75.0 | 78 | 12 |
| 80 | 88.9 | 89 | 190 | 150 | 18 | 4 | M16 | 18 | 94 | 94 | 6 | 128 | 90.5 | 91 | 12 |
| 100 | 114.3 | 108 | 210 | 170 | 18 | 4 | M16 | 18 | 120 | 114 | 6 | 148 | 116.0 | 110 | 14 |
| 125 | 139.7 | 133 | 240 | 200 | 18 | 8 | M16 | 20 | 147 | 139 | 6 | 178 | 143.5 | 135 | 14 |
| 150 | 168.3 | 159 | 265 | 225 | 18 | 8 | M16 | 20 | 174 | 165 | 6 | 202 | 170.5 | 161 | 14 |
| 200 | 219.1 | 219 | 320 | 280 | 18 | 8 | M16 | 22 | 226 | 226 | 6 | 258 | 221.5 | 222 | 16 |
| 250 | 273.0 | 273 | 375 | 335 | 18 | 12 | M16 | 24 | 281 | 281 | 8 | 312 | 276.5 | 276 | 18 |
| 300 | 323.9 | 325 | 440 | 395 | 22 | 12 | M20 | 24 | 333 | 334 | 8 | 365 | 327.5 | 328 | 18 |
| 350 | 355.6 | 377 | 490 | 445 | 22 | 12 | M20 | 26 | 365 | 386 | 8 | 415 | 359.5 | 381 | 18 |
| 400 | 406.4 | 426 | 540 | 495 | 22 | 16 | M20 | 28 | 416 | 435 | 8 | 465 | 411.0 | 430 | 20 |
| 450 | 457 | 480 | 595 | 550 | 22 | 16 | M20 | 30 | 467 | 490 | 8 | 520 | 462.0 | 485 | 20 |
| 500 | 508 | 530 | 645 | 600 | 22 | 20 | M20 | 30 | 519 | 541 | 8 | 570 | 513.5 | 535 | 22 |
| 600 | 610 | 630 | 755 | 705 | 26 | 20 | M24 | 32 | 622 | 642 | 8 | 670 | 616.5 | 636 | 22 |
相关链接:
PN10平焊环板式松套法兰的尺寸~GB/T 9124.1-2019
PN16平焊环板式松套法兰的尺寸~GB/T 9124.1-2019