PN40平焊环板式松套法兰的尺寸~GB/T 9124.1
发布时间:2023-01-26 点击数:742
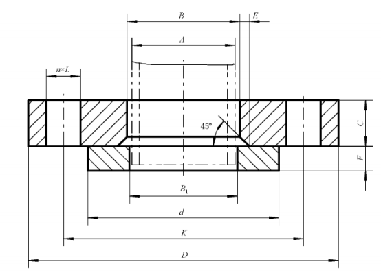
PN40平焊环板式松套法兰的尺寸~GB/T 9124.1

| DN | 钢管外径 A/ mm |
连接尺寸 | 法兰 厚度 C/ mm |
法兰内径 B/ mm |
平焊环 | ||||||||||
| 法兰 外径 D/ mm |
螺栓孔中心圆直径 K/ mm |
螺栓孔直径 L/ mm |
螺栓 | 外径 d/ mm |
内径B1/ mm | 厚度 F/ mm |
|||||||||
| 系列I | 系列II | 数量 n/个 |
螺纹 规格 |
系列I | 系列II | E/ mm |
系列I | 系列II | |||||||
| 10 | 17.2 | 14 | 90 | 60 | 14 | 4 | M12 | 14 | 21 | 18 | 3 | 40 | 18.0 | 15 | 12 |
| 15 | 21.3 | 18 | 95 | 65 | 14 | 4 | M12 | 14 | 25 | 22 | 3 | 45 | 22.0 | 19 | 12 |
| 20 | 26.9 | 25 | 105 | 75 | 14 | 4 | M12 | 16 | 31 | 29 | 4 | 58 | 27.5 | 26 | 14 |
| 25 | 33.7 | 32 | 115 | 85 | 14 | 4 | M12 | 16 | 38 | 36 | 4 | 68 | 34.5 | 33 | 14 |
| 32 | 42.4 | 38 | 140 | 100 | 18 | 4 | M16 | 18 | 46 | 42 | 5 | 78 | 43.5 | 39 | 14 |
| 40 | 48.3 | 45 | 150 | 110 | 18 | 4 | M16 | 18 | 53 | 50 | 5 | 88 | 49.5 | 46 | 14 |
| 50 | 60.3 | 57 | 165 | 125 | 18 | 4 | M16 | 20 | 65 | 63 | 5 | 102 | 61.5 | 59 | 16 |
| 65 | 73.0 | 76 | 185 | 145 | 18 | 8 | M16 | 22 | 81 | 81 | 6 | 122 | 75.0 | 78 | 16 |
| 80 | 88.9 | 89 | 200 | 160 | 18 | 8 | M16 | 24 | 94 | 94 | 6 | 138 | 90.5 | 91 | 18 |
| 100 | 114.3 | 108 | 235 | 190 | 22 | 8 | M20 | 26 | 120 | 114 | 6 | 162 | 116.0 | 110 | 20 |
| 125 | 139.7 | 133 | 270 | 220 | 26 | 8 | M24 | 28 | 147 | 139 | 6 | 188 | 143.5 | 135 | 22 |
| 150 | 168.3 | 159 | 300 | 250 | 26 | 8 | M24 | 30 | 174 | 165 | 6 | 218 | 170.5 | 161 | 24 |
| 200 | 219.1 | 219 | 375 | 320 | 30 | 12 | M27 | 36 | 226 | 226 | 6 | 285 | 221.5 | 222 | 28 |
| 250 | 273.0 | 273 | 450 | 385 | 33 | 12 | M30 | 42 | 281 | 281 | 8 | 345 | 276.5 | 276 | 30 |
| 300 | 323.9 | 325 | 515 | 450 | 33 | 16 | M30 | 52 | 333 | 334 | 8 | 410 | 327.5 | 328 | 34 |
| 350 | 355.6 | 377 | 580 | 510 | 36 | 16 | M33 | 58 | 365 | 386 | 8 | 465 | 359.5 | 381 | 36 |
| 400 | 406.4 | 426 | 660 | 585 | 39 | 16 | M36 | 65 | 416 | 435 | 8 | 535 | 411.0 | 430 | 42 |
| 450 | 457 | 480 | 685 | 610 | 39 | 20 | M36 | 66 | 467 | 490 | 8 | 560 | 462.0 | 485 | 46 |
| 500 | 508 | 530 | 755 | 670 | 42 | 20 | M39 | 72 | 519 | 541 | 8 | 615 | 513.5 | 535 | 50 |
| 600 | 610 | 630 | 890 | 795 | 48 | 20 | M45 | 84 | 622 | 642 | 8 | 735 | 616.5 | 636 | 54 |
相关链接:
PN6平焊环板式松套法兰的尺寸~GB/T 9124.1-2019
PN10平焊环板式松套法兰的尺寸~GB/T 9124.1-2019