当前位置: 首页 > 文章中心
2167

09-30

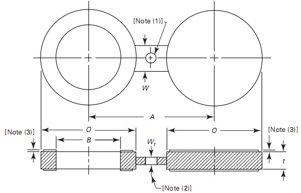
Class 150美标八字盲板的尺寸- ASME B16.48

Class 150美标八字盲板的尺寸- ASME B16.48

1341

09-28

董事长到法兰车间视察公司新上法兰用数控高速钻床设备安装运行情况

2020年9月28日,董事长到法兰车间视察我公司新上法兰用数控高速钻床设备安装运行情况。

1353

09-26

半岛BD体育官网在线观看 新上三台不锈钢弯头推制机,二台不锈钢三通挤压机设备

河北广浩公司新上三台不锈钢弯头推制机,二台不锈钢三通挤压机设备。好设备出好产品,必将推动我司不锈钢产品向高科技产品迈进。

1314

09-26

2020年9月12日,半岛BD体育官网在线观看 举办6S管理培训会。

2020年9月12日,半岛BD体育官网在线观看 举办6S管理培训会。

1318

09-26

2020年9月,中国石油和化学工业联合会向我司颁发2020年石化行业百佳供应商证书。

2020年9月,中国石油和化学工业联合会向我司颁发2020年石化行业百佳供应商证书。

1361

09-26

2020年7月17日,公司举行仪式,任命孙德福为半岛BD体育官网在线观看 总经理

2020年7月17日,公司举行仪式,任命孙德福为半岛BD体育官网在线观看 总经理。

1260

09-26

半岛BD体育官网在线观看 获ASME颁发的两项证书

2019年12月20日,半岛BD体育官网在线观看 获ASME颁发的两项证书。其中:证书号 58416:范围为压力管道的制造和组装。证书号 58417:范围为压力容器的制造。证书有效期三年。

5409

06-29

A182 F11低合金钢法兰锻件的化学成分和力学性能

A182 F11低合金钢法兰锻件的化学成分和力学性能

1802

05-14

S31008不锈钢法兰锻件的化学成分和力学性能-NB/T 47010

S31008不锈钢法兰锻件的化学成分和力学性能-NB/T 47010

2144

05-14

S25073半岛娱乐站 锻件的化学成分和力学性能-NB/T 47010

S25073半岛娱乐站 锻件的化学成分和力学性能-NB/T 47010

在线客服
  • 销售热线
    13031891590

半岛BD体育官网在线观看
Baidu
map