当前位置: 首页 > 文章中心
4043

01-04

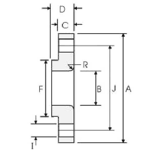
美标Class300 松套法兰的尺寸 ASME B16.5

美标Class300 松套法兰的尺寸 ASME B16.5

5707

01-04

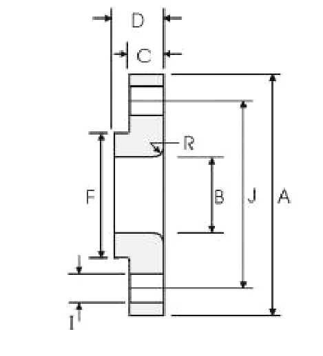
美标Class150 松套法兰的尺寸 ASME B16.5

美标Class150 松套法兰的尺寸 ASME B16.5

4488

01-03

ASTM A105 理化性能要求

ASTM A 105 管道元件用碳钢锻件 ASTM A105 Carbon Steel Forgings for Piping Applications 化学成分...

9008

12-29

ASTM A234 WPB的理化性能

ASTM A234 WPB是最常见的ASME B16.9碳钢对焊管件材料 化学成分Chemical Compositions (...

9959

12-27

法兰密封面缺陷允许尺寸(突面、凹面/凸面、全平面)

法兰密封面缺陷允许尺寸(突面、凹面/凸面、全平面) 选自HG/T20592 和 HG/T20615 单位:mm 公称尺寸DN...

4083

12-22

湿H2S应力腐蚀环境下碳钢及低合金材料的选用要求

湿H2S应力腐蚀环境下碳钢及低合金材料的选用要求 1 腐蚀环境 当化工容器的介质同时符合下列各项条件时,即为湿H2S应力腐蚀环境:...

3598

12-19

Class1500带颈平焊法兰的尺寸表 - ASME B16.5

美标Class1500带颈平焊(Slip On)法兰的尺寸表 - ASME B16.5

4034

12-19

Class900带颈平焊法兰的尺寸表 - ASME B16.5

美标Class900带颈平焊法兰的尺寸-ASME B16.5

7623

12-19

Class600带颈平焊法兰的尺寸表 - ASME B16.5

Class600带颈平焊法兰的尺寸表 - ASME B16.5

6423

12-19

美标Class300带颈平焊法兰的尺寸表 - ASME B16.5

美标Class300带颈平焊法兰的尺寸表 - ASME B16.5

在线客服
  • 销售热线
    13031891590

半岛BD体育官网在线观看
Baidu
map