当前位置: 首页 > 文章中心
4808

01-11

ASME B16.47 A 系列 Class150 法兰盖的尺寸

ASME B16.47 A 系列 Class150 法兰盖的尺寸

3406

01-07

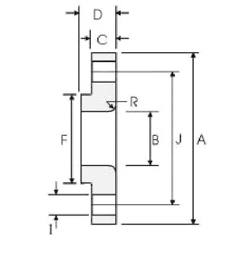
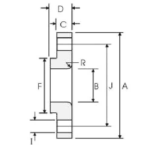
ASME B16.47 A 系列 CL900 带颈对焊法兰的尺寸

ASME B16.47 A 系列 CL900 带颈对焊法兰的尺寸

4265

01-07

ASME B16.47 A 系列 CL600 带颈对焊法兰的尺寸

ASME B16.47 A 系列 CL600 带颈对焊法兰的尺寸

3513

01-07

ASME B16.47 A 系列 CL400 带颈对焊法兰的尺寸

ASME B16.47 A 系列 CL400 带颈对焊法兰的尺寸

4949

01-07

ASME B16.47 A 系列 CL300 带颈对焊法兰的尺寸

ASME B16.47 A 系列 CL300 带颈对焊法兰的尺寸

4767

01-07

ASME B16.47 A 系列 CL150 带颈对焊法兰的尺寸

ASME B16.47 A 系列 CL150 带颈对焊法兰的尺寸

3781

01-04

美标Class2500松套法兰的尺寸-ASME B16.5

美标Class2500松套法兰的尺寸-ASME B16.5

3404

01-04

美标Class1500松套法兰的尺寸-ASME B16.5

美标Class1500松套法兰的尺寸-ASME B16.5

4820

01-04

美标Class900松套法兰的尺寸 - ASME B16.5

美标Class900松套法兰的尺寸 - ASME B16.5 CL

3245

01-04

美标Class600松套法兰的尺寸 ASME B16.5

美标Class600松套法兰的尺寸 ASME B16.5

在线客服
  • 销售热线
    13031891590

半岛BD体育官网在线观看
Baidu
map