当前位置: 首页 > 文章中心
3114

01-21

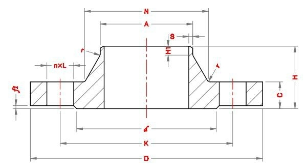
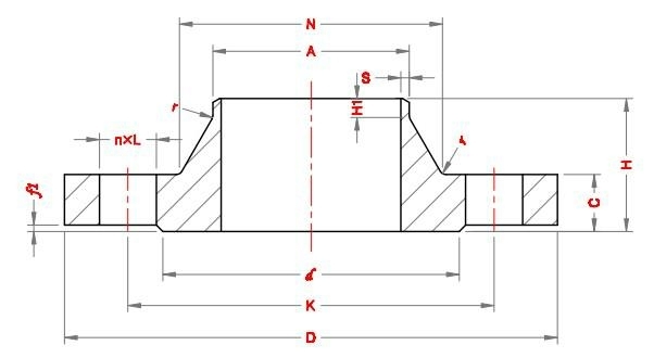
PN400带颈对焊法兰的尺寸 EN1092-1

PN400带颈对焊法兰的尺寸 EN1092-1

3143

01-21

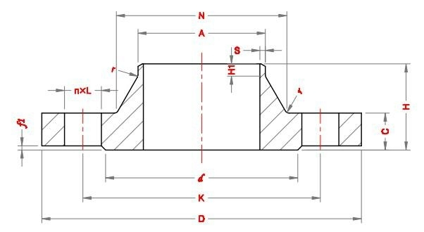
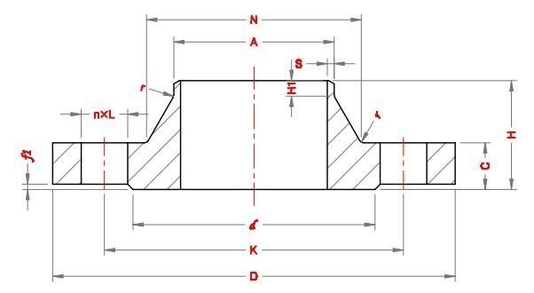
PN320带颈对焊法兰的尺寸 ~ EN1092-1

PN320带颈对焊法兰的尺寸 ~ EN1092-1

3053

01-21

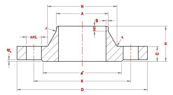
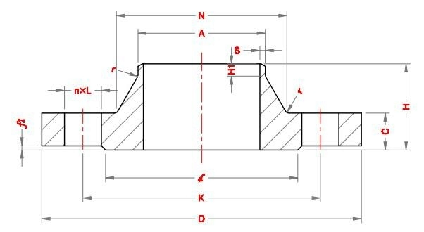
PN250带颈对焊法兰的尺寸 ~ EN1092-1

PN250带颈对焊法兰的尺寸 ~ EN1092-1

3568

01-21

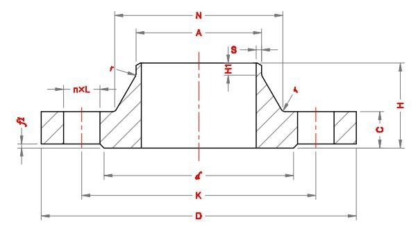
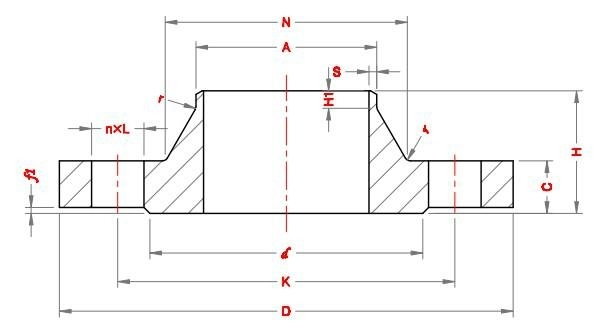
PN160带颈对焊法兰的尺寸 ~ EN1092-1

PN160带颈对焊法兰的尺寸 ~ EN1092-1

3509

01-21

PN100带颈对焊法兰的尺寸 ~ EN1092-1

PN100带颈对焊法兰的尺寸 ~ EN1092 -1

3398

01-21

PN40带颈对焊法兰的尺寸 ~ EN1092-1

PN40带颈对焊法兰的尺寸 ~ EN1092-1

3611

01-21

PN63带颈对焊法兰的尺寸 ~ EN1092-1

PN63带颈对焊法兰的尺寸 ~ EN1092-1

3518

01-21

PN25带颈对焊法兰的尺寸 ~ EN1092-1

PN25带颈对焊法兰的尺寸 ~ EN1092-1

3449

01-21

PN10带颈对焊法兰的尺寸 ~ EN1092-1

PN10带颈对焊法兰的尺寸 ~ EN1092 - 1

5330

01-21

PN16带颈对焊法兰的尺寸 ~ EN1092-1

PN16带颈对焊法兰的尺寸~EN1092-1

在线客服
  • 销售热线
    13031891590

半岛BD体育官网在线观看
Baidu
map