当前位置: 首页 > 文章中心
4064

01-20

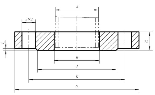
PN100板式平焊法兰的尺寸~GB/T9124.1-2019

PN100板式平焊法兰的尺寸~GB/T9124.1-2019

3831

01-20

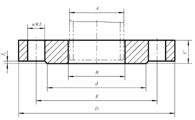
PN63板式平焊法兰的尺寸~GB/T9124.1-2019

PN63板式平焊法兰的尺寸~GB/T9124.1-2019

3784

01-20

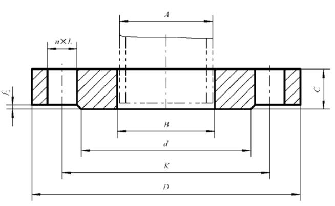
PN40板式平焊法兰的尺寸~ GB/T9124.1-2019

PN40板式平焊法兰的尺寸~ GB/T9124.1-2019

4833

01-20

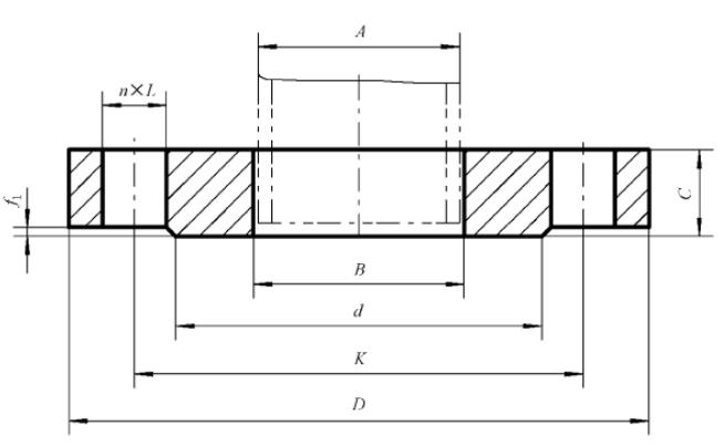
PN25板式平焊法兰的尺寸~GB/T 9124.1-2019

PN25板式平焊法兰的尺寸~GB/T9124.1-2019

6937

01-20

PN16板式平焊法兰的尺寸~GB/T 9124.1-2019

PN16 板式平焊法兰的尺寸~GB/T 9124.1-2019

7592

01-20

PN10板式平焊法兰的尺寸~GB/T9124.1-2019

PN10板式平焊法兰的尺寸~GB/T9124.1-2019

3301

01-17

Class900 ASME B16.47 B 系列 法兰盖的尺寸

Class900 ASME B16.47 B 系列 法兰盖的尺寸

3342

01-17

Class600 ASME B16.47 B 系列 法兰盖的尺寸

Class600 ASME B16.47 B 系列 法兰盖的尺寸

3575

01-17

Class300 ASME B16.47 B 系列 法兰盖的尺寸

Class300 ASME B16.47 B 系列 法兰盖的尺寸

3732

01-17

Class150 ASME B16.47 B 系列 法兰盖的尺寸

Class150 ASME B16.47 B 系列 法兰盖的尺寸

在线客服
  • 销售热线
    13031891590

半岛BD体育官网在线观看
Baidu
map