当前位置: 首页 > 文章中心
704

06-28

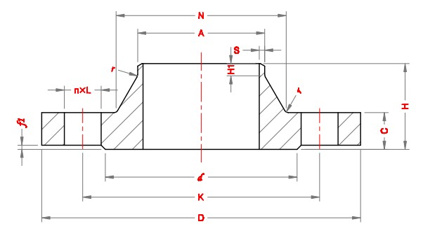
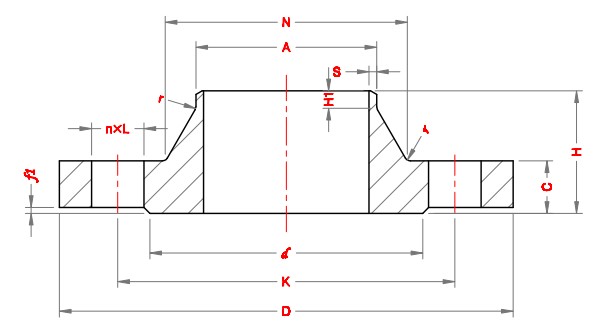
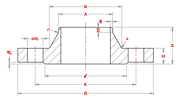
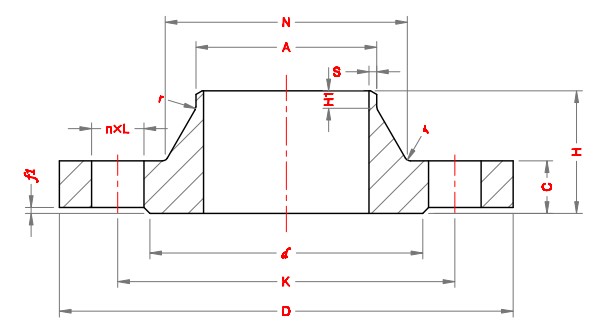
PN250带颈对焊法兰的尺寸~GB/T 9124.1-2019

...

868

06-28

PN160带颈对焊法兰的尺寸~GB/T 9124.1-2019

半岛BD体育官网在线观看 专业制造2205、2507双相钢PN160带颈对焊法兰

702

06-28

PN100带颈对焊法兰的尺寸~GB/T 9124.1-2019

半岛BD体育官网在线观看 专业制造双相不锈钢2205和2507材质的PN40带颈对焊法兰,我厂选材优良,锻压和热处理全部本厂自主控制,全数控精加工,尺寸精良,欢迎选购。

894

06-28

PN63带颈对焊法兰的尺寸~GB/T 9124.1-2019

半岛BD体育官网在线观看 专业制造双相不锈钢2205和2507材质的PN40带颈对焊法兰,全数控精加工,尺寸精良,密封面加以保护,如有需要请联系我。

757

06-27

PN400法兰盖的尺寸~GB/T9124.1-2019

半岛BD体育官网在线观看 专业生产2205和2507双相钢材质的PN400法兰盖

652

06-27

PN320法兰盖的尺寸~GB/T9124.1-2019

河北广浩管件专业生产双相钢2205和2507材质的PN320法兰盖

652

06-27

PN250法兰盖的尺寸~GB/T9124.1-2019

半岛BD体育官网在线观看 专业生产双相钢2205和2507材质的PN250法兰盖

758

06-27

PN160法兰盖的尺寸~GB/T9124.1-2019

河北广浩管件专业生产双相钢2205和2570材质的PN160法兰盖

855

06-27

PN100法兰盖的尺寸~GB/T9124.1-2019

半岛BD体育官网在线观看 专业生产2205和2507双相不锈钢PN100法兰盖

900

06-27

PN63法兰盖的尺寸~GB/T9124.1-2019

河北广浩专业生产2205和2507双相钢PN63法兰盖

在线客服
  • 销售热线
    13031891590

半岛BD体育官网在线观看
Baidu
map