当前位置: 首页 > 文章中心
591

10-20

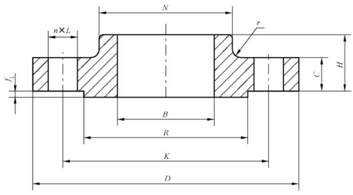
Class150突面带颈平焊法兰的尺寸~GB/T9124.2-2019

Class150突面带颈平焊法兰的尺寸~GB/T9124.2-2019

392

10-19

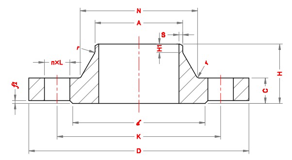
Class2500法兰盖的尺寸~GB/T9124.2-2019

Class2500法兰盖的尺寸~GB/T9124.2-2019

372

10-19

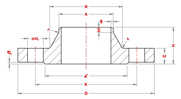
Class1500法兰盖的尺寸~GB/T9124.2-2019

Class1500法兰盖的尺寸~GB/T9124.2-2019

401

10-19

Class900法兰盖的尺寸~GB/T9124.2-2019

Class900法兰盖的尺寸~GB/T9124.2-2019

461

10-19

Class600法兰盖的尺寸~GB/T9124.2-2019

Class600法兰盖的尺寸~GB/T9124.2-2019

467

10-19

Class300法兰盖的尺寸~GB/T9124.2-2019

Class300法兰盖的尺寸~GB/T9124.2-2019

410

10-19

Class150法兰盖的尺寸~GB/T9124.2-2019

Class150法兰盖的尺寸~GB/T9124.2-2019

652

07-28

2205和2507半岛娱乐站 、管件、钢管的使用温度范围

2205和2507半岛娱乐站 、管件、钢管的使用温度范围

690

06-28

PN400带颈对焊法兰的尺寸~GB/T 9124.1-2019

专业制造GB/T...

664

06-28

PN320带颈对焊法兰的尺寸~GB/T 9124.1-2019

专业制造PN320带颈对焊法兰。半岛BD体育官网在线观看 专业制造2205、2507半岛娱乐站 ,本公司半岛娱乐站 选材全部为国内永兴特钢、青山、华新丽华、太钢等知名大厂的2205和2507坯料,...

在线客服
  • 销售热线
    13031891590

半岛BD体育官网在线观看
Baidu
map