当前位置: 首页 > 文章中心
758

11-01

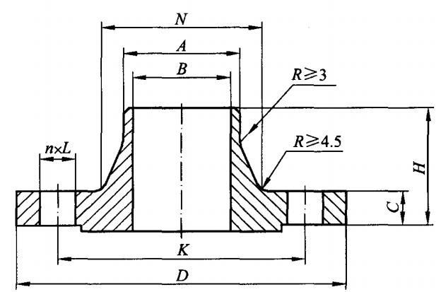
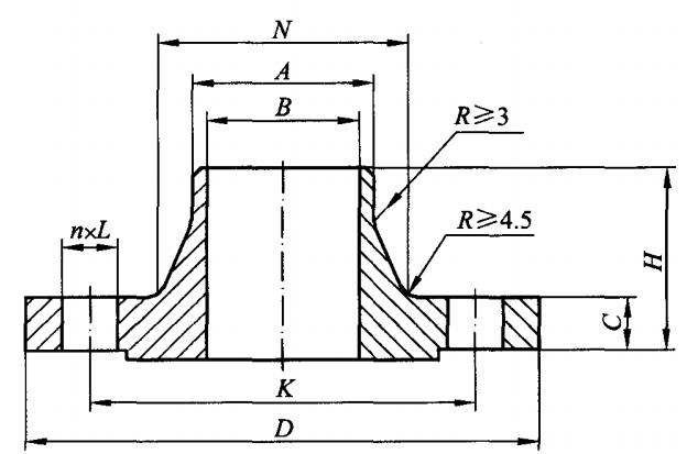
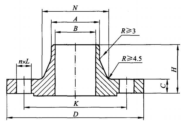
Class900(PN150)带颈对焊法兰的尺寸~HG/T 20615-2009

Class900(PN150)带颈对焊法兰的尺寸~HG/T 20615-2009

1119

11-01

Class600(PN110)带颈对焊法兰的尺寸~HG/T 20615-2009

Class600(PN110)带颈对焊法兰的尺寸~HG/T 20615-2009

1366

11-01

Class300(PN50)带颈对焊法兰的尺寸~HG/T 20615-2009

Class300(PN50)带颈对焊法兰的尺寸~HG/T 20615-2009

897

11-01

Class150(PN20)带颈对焊法兰的尺寸~HG/T 20615-2009

Class150(PN20)带颈对焊法兰的尺寸~HG/T 20615-2009

674

10-14

PN40板式平焊法兰的尺寸~HG/T 20592-2009

PN40板式平焊法兰的尺寸~HG/T 20592-2009

1131

10-14

PN25板式平焊法兰的尺寸~HG/T 20592-2009

PN25板式平焊法兰的尺寸~HG/T 20592-2009

887

10-14

PN16板式平焊法兰的尺寸~HG/T 20592-2009

PN16板式平焊法兰的尺寸~HG/T 20592-2009

968

10-14

PN10板式平焊法兰的尺寸~HG/T 20592-2009

PN10板式平焊法兰的尺寸~HG/T 20592-2009

925

10-14

PN6板式平焊法兰的尺寸~HG/T 20592-2009

PN6板式平焊法兰的尺寸~HG/T 20592-2009

960

10-14

PN2.5板式平焊法兰的尺寸~HG/T 20592-2009

PN2.5板式平焊法兰的尺寸~HG/T 20592-2009

在线客服
  • 销售热线
    13031891590

半岛BD体育官网在线观看
Baidu
map