当前位置: 首页 > 文章中心
501

04-21

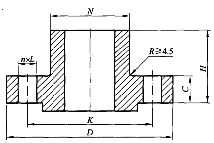
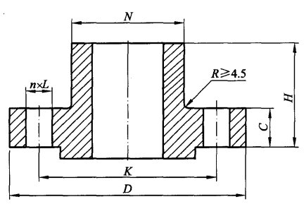
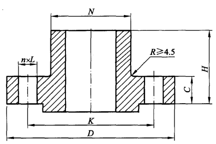
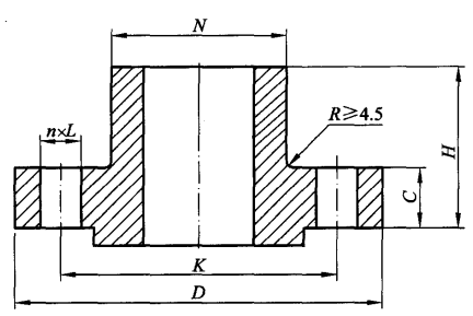
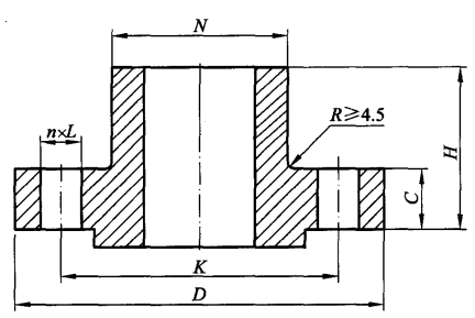
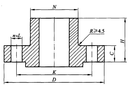
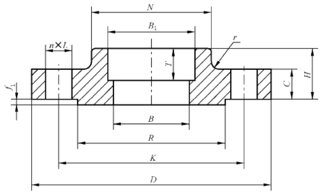
Class600承插焊法兰的尺寸~GB/T 9124.2-2019

Class600承插焊法兰的尺寸~GB/T 9124.2-2019

486

04-21

Class300承插焊法兰的尺寸~GB/T 9124.2-2019

Class300承插焊法兰的尺寸~GB/T 9124.2-2019

567

04-21

Class150承插焊法兰的尺寸~GB/T 9124.2-2019

Class150承插焊法兰的尺寸~GB/T 9124.2-2019

695

03-22

A182 F904L的化学成分、热处理和拉伸性能

A182 F904L的化学成分、热处理和拉伸性能

526

03-17

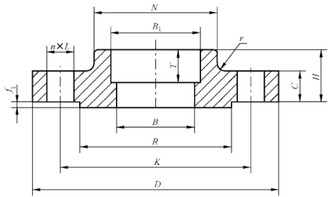
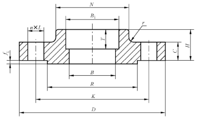
Class2500(PN420)长高颈钢制管法兰(LWN)的尺寸 - HG/T 20615-2009

Class2500(PN420)长高颈钢制管法兰(LWN)的尺寸 - HG/T 20615-2009

953

03-17

Class1500(PN260)长高颈钢制管法兰(LWN)的尺寸 - HG/T 20615-2009

Class1500(PN260)长高颈钢制管法兰(LWN)的尺寸 - HG/T 20615-2009

933

03-17

Class900(PN150)长高颈法兰(LWN)的尺寸 ~ HG/T 20615-2009

Class900(PN150)长高颈法兰的尺寸 ~ HG/T 20615-2009

1011

03-17

Class600(PN110)长高颈法兰(LWN)的尺寸 ~ HG/T 20615-2009

Class600(PN110)长高颈法兰的尺寸 ~ HG/T 20615-2009

1041

03-17

Class300(PN50)长高颈法兰(LWN)的尺寸 ~ HG/T 20615-2009

Class300(PN50)长高颈法兰的尺寸 ~ HG/T 20615-2009

831

03-17

Class150(PN20)长高颈法兰(LWN)的尺寸 ~ HG/T 20615-2009

Class150(PN20)长高颈法兰的尺寸 ~ HG/T 20615-2009

在线客服
  • 销售热线
    13031891590

半岛BD体育官网在线观看
Baidu
map