当前位置: 首页 > 文章中心
8798

04-01

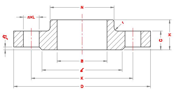
PN40带颈平焊法兰的尺寸 ~ EN1092-1

PN40带颈平焊法兰的尺寸 ~ EN1092-1

3844

04-01

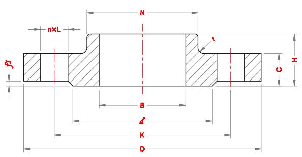
PN25带颈平焊法兰的尺寸 ~ EN1092-1

PN25带颈平焊法兰的尺寸 ~ EN1092-1

3615

04-01

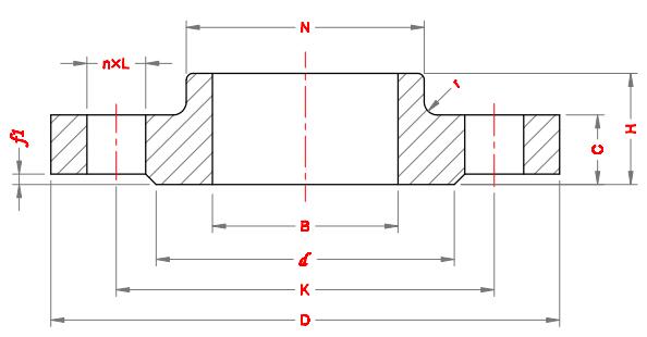
PN16带颈平焊法兰的尺寸 ~ EN1092-1

PN16带颈平焊法兰的尺寸 ~ EN1092-1

3556

04-01

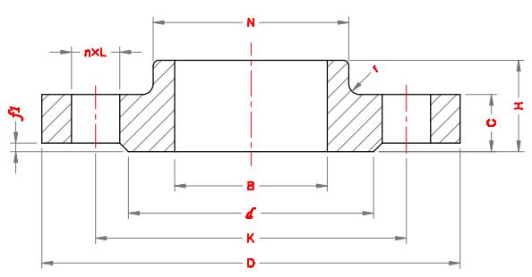
PN10带颈平焊法兰的尺寸~EN1092-1

PN10带颈平焊法兰的尺寸~EN1092-1

3237

03-29

HDPE100的给水用聚乙烯管材壁厚和单重 GB/T13663-2000

HDPE100的给水用聚乙烯管材壁厚和单重 GB/T13663-2000 dn SDR26 SDR21...

2885

03-29

中频感应弯管下料壁厚

中频感应弯管下料壁厚 GB/T 20801.4-2006 压力管道规范 工业管道 第4部分 制作与安装 弯曲半径 R...

5097

03-24

Class系列法兰尺寸公差 GB/T9124-2010

Class系列法兰尺寸公差 GB/T9124-2010 项目 法兰形式 尺寸范围...

3736

03-18

ASMBE B16.9 对焊管件的公差

ASMBE B16.9 对焊管件的公差 所有管件 90°和45°弯头及三通中心至端面尺寸 A, B,C,M...

2901

03-08

NB/T 47009-2010_低温承压设备用低合金钢锻件

NB/T 47009-2010_低温承压设备用低合金钢锻件 钢号 16MnD 20MnMoD...

5033

03-03

SA-213 T11的化学成分和力学性能

SA-213 锅炉、过热器和换热器用无缝铁素体和奥氏体合金钢管子 T11的化学成分和力学性能 一、 化学成分 C: 0.05 - 0.15Mn: 0.30 - 0.60P:...

在线客服
  • 销售热线
    13031891590

半岛BD体育官网在线观看
Baidu
map