当前位置: 首页 > 文章中心
1135

03-14

API 6A法兰BX型环连接面的加工尺寸

API 6A法兰BX型环连接面的加工尺寸

1015

03-14

API 6A法兰R型环连接面的加工尺寸

API 6A法兰R型环连接面的加工尺寸 国内标准:GB/T 22513-2013 石油天然气工业 钻井和采油设备 井口装置和采油树

1598

03-13

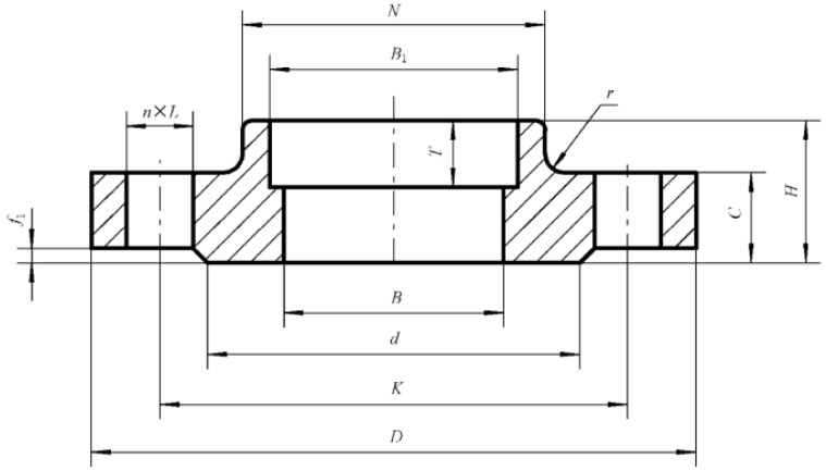
PN100承插焊法兰的尺寸~GB/T 9124.1 - 2019

PN100承插焊法兰的尺寸~GB/T 9124.1 - 2019

1189

03-13

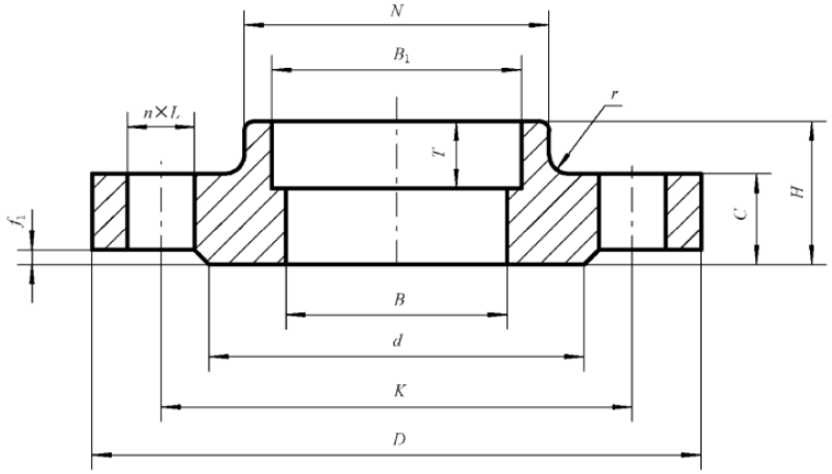
PN63承插焊法兰的尺寸~GB/T 9124.1-2019

PN63承插焊法兰的尺寸~GB/T 9124.1-2019

1050

03-13

PN25 & 40承插焊法兰的尺寸~GB/T 9124.1-2019

PN25 & 40承插焊法兰的尺寸~GB/T 9124.1-2019

1184

03-13

PN10 & 16承插焊法兰的尺寸~GB/T 9124.1-2019

承插焊法兰的尺寸~GB/T 9124.1-2019

902

03-13

API 6A-TYPE-6BX 138.0MPA (20000PSI)法兰的尺寸

API 6A - TYPE - 6BX 138.0 MPA (20000 PSI)法兰的尺寸 国内标准:GBT 22513-2013 石油天然气工业 钻井和采油设备 井口装置和采油树

1123

03-13

API 6A-TYPE-6BX 103.5MPA (15000PSI)法兰的尺寸

API 6A - TYPE - 6BX 103.5 MPA (15000 PSI) 国内标准:GBT 22513-2013 石油天然气工业 钻井和采油设备 井口装置和采油树

1468

03-13

API 6A-TYPE-6BX 69.0MPA (10000PSI)法兰的尺寸

API 6A - TYPE - 6BX 69.0 MPA (10000 PSI) 国内标准:GBT 22513-2013 石油天然气工业 钻井和采油设备 井口装置和采油树

745

03-13

API 6A-TYPE-6BX 34.5MPA (5000PSI)法兰盖的尺寸

API 6A - TYPE - 6BX 34.5 MPA (5000 PSI)法兰盖的尺寸 国内标准:GBT 22513-2013 石油天然气工业 钻井和采油设备 井口装置和采油树

在线客服
  • 销售热线
    13031891590

半岛BD体育官网在线观看
Baidu
map