当前位置: 首页 > 文章中心
1163

12-01

钢管制碳钢合金钢管件工艺流程图(热成型)

钢管制碳钢合金钢管件工艺流程图(热成型)

936

11-29

国内最大口径对焊弯头由广浩公司制造完成发货

最大口径对焊弯头由广浩公司制造完成发货

892

11-29

一组展示广浩公司法兰车间的照片

一组展示广浩公司法兰车间的照片

1151

11-26

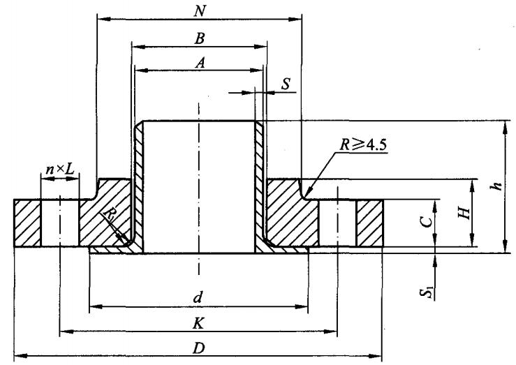
Class600(PN110)松套法兰的尺寸~HG/T 20615-2009

Class600(PN110)松套法兰的尺寸~HG/T 20615-2009

1222

11-26

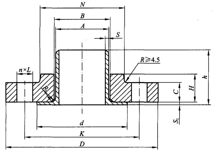
Class300(PN50)松套法兰的尺寸~HG/T 20615-2009

Class300(PN50)松套法兰的尺寸~HG/T 20615-2009

1145

11-26

Class150(PN20)松套法兰的尺寸~HG/T 20615-2009

Class150(PN20)松套法兰的尺寸~HG/T 20615-2009

750

11-26

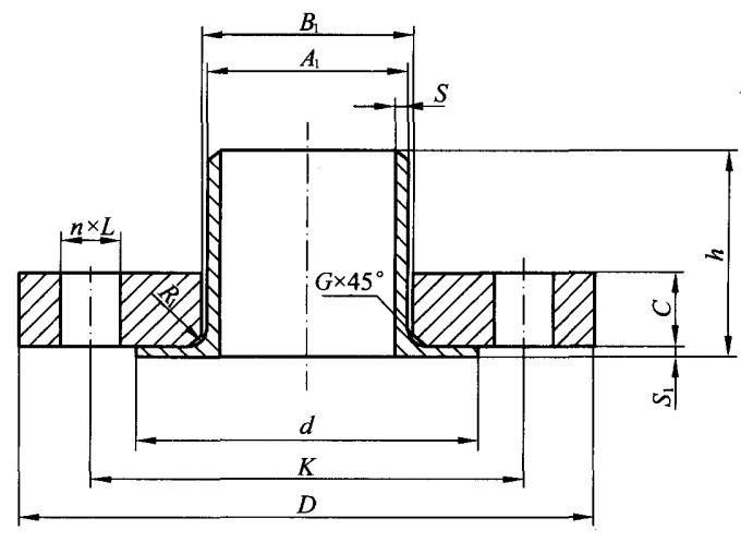
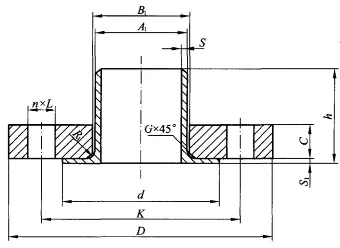
PN40对焊环松套法兰的尺寸~HG/T 20592-2009

PN40对焊环松套法兰的尺寸~HG/T 20592-2009

809

11-26

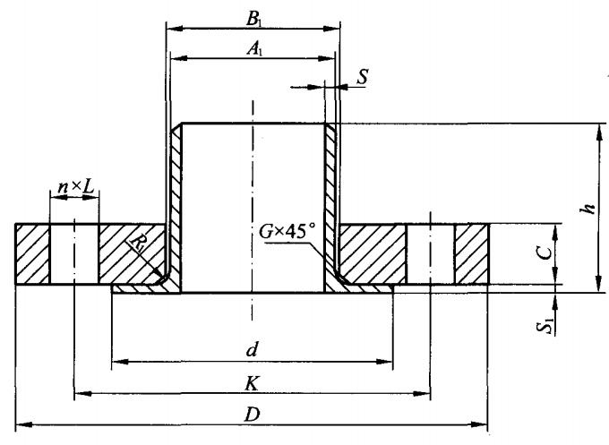
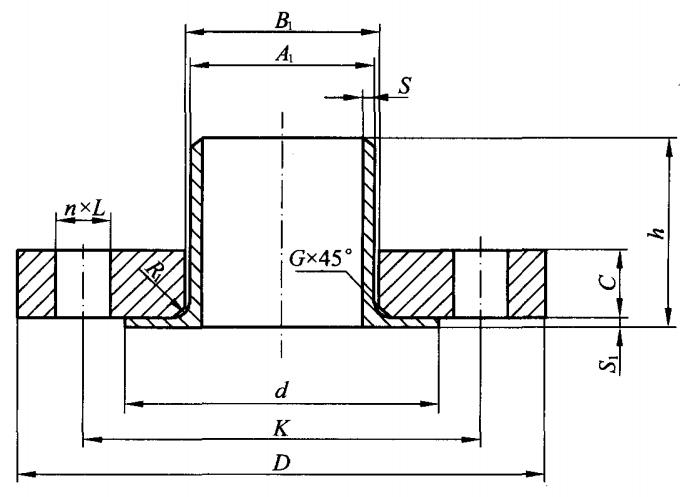
PN25对焊环松套法兰的尺寸~HG/T 20592-2009

PN25对焊环松套法兰的尺寸~HG/T 20592-2009

984

11-26

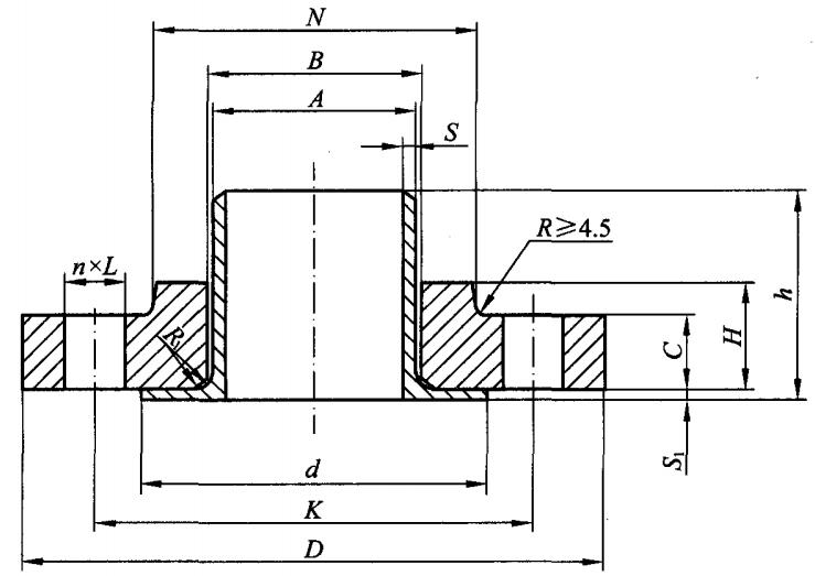
PN16对焊环松套法兰的尺寸~HG/T 20592-2009

PN16对焊环松套法兰的尺寸~HG/T 20592-2009

1213

11-26

PN10对焊环松套法兰的尺寸~HG/T 20592-2009

PN10对焊环松套法兰的尺寸~HG/T 20592-2009

在线客服
  • 销售热线
    13031891590

半岛BD体育官网在线观看
Baidu
map