当前位置: 首页 > 文章中心
1372

01-06

压力容器用钢板14Cr1MoR的化学成分、交货状态和力学、工艺性能

压力容器用钢板14Cr1MoR的化学成分、交货状态和力学工艺性能

2389

12-18

镍基合金B564 N06625的化学成分和力学性能

镍基合金法兰锻件B564 N06625的化学成分和力学性能

5677

11-22

ASTM A182 F22法兰锻件的化学成分和力学性能

ASTM A182 F22法兰锻件的化学成分和力学性能

3342

11-21

美标法兰锻件ASTM A182 F12的化学成分和力学性能

美标法兰锻件ASTM A182 F12的化学成分和力学性能

6667

11-09

90度长半径弯头的外弧弧长、内弧弧长、外弧弦长和内弧弦长

90度长半径弯头的外弧弧长、内弧弧长、外弧弦长和内弧弦长

2063

10-05

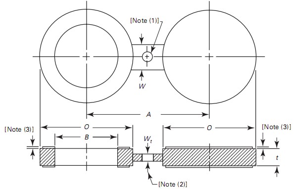
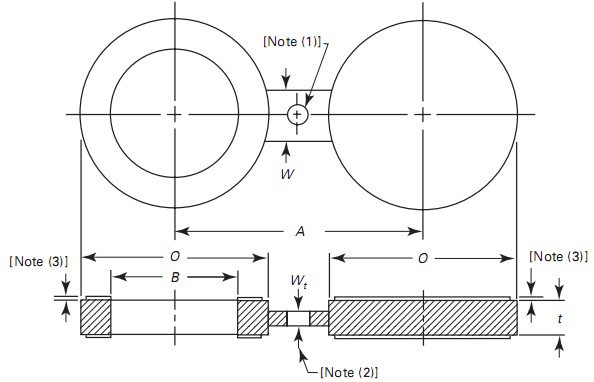
Class 2500美标八字盲板的尺寸 - ASME B16.48

Class 2500美标八字盲板的尺寸 - ASME B16.48 NPS DN外径, O内径, B中心距, A厚度, t宽度,...

1597

10-04

Class 1500美标八字盲板的尺寸 - ASME B16.48

Class 1500美标八字盲板的尺寸 - ASME B16.48 NPS DN外径, O内径, B中心距, A厚度, t宽度,...

1614

10-03

Class 900美标八字盲板的尺寸 - ASME B16.48

Class 900美标八字盲板的尺寸 - ASME B16.48 NPS DN外径, O内径, B中心距, A厚度, t宽度,...

4667

10-02

Class 600美标八字盲板的尺寸 - ASME B16.48

Class 600美标八字盲板的尺寸 - ASME B16.48 NPS DN外径, O内径, B中心距, A厚度, t宽度,...

2521

10-01

Class 300美标八字盲板的尺寸- ASME B16.48

Class 300美标八字盲板的尺寸- ASME B16.48 NPS DN外径, O内径, B中心距, A厚度, t宽度,...

在线客服
  • 销售热线
    13031891590

半岛BD体育官网在线观看
Baidu
map