当前位置: 首页 > 文章中心
1036

06-27

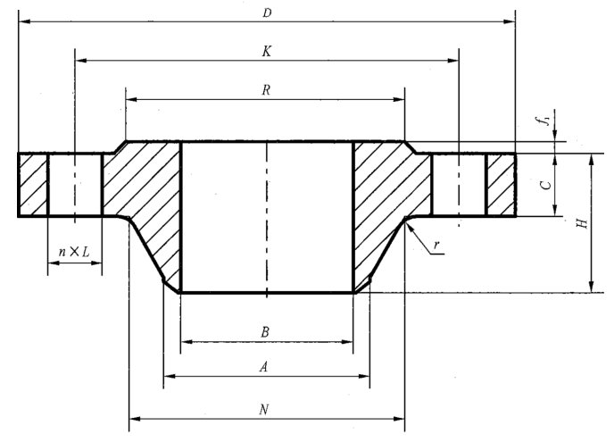
PN40法兰盖的尺寸~GB/T9124.1-2019

半岛BD体育官网在线观看 专业生产双相不锈钢2205和2507的PN40法兰盖

822

06-27

PN25法兰盖的尺寸~GB/T9124.1-2019

半岛BD体育官网在线观看 专业生产双相不锈钢2205和2507的PN25法兰盖,如果有需要,请联系我。

1022

06-27

PN16法兰盖的尺寸~GB/T9124.1-2019

半岛BD体育官网在线观看 专业生产双相不锈钢2205和2507的PN16法兰盖

1072

06-27

PN10法兰盖的尺寸~GB/T9124.1-2019

半岛BD体育官网在线观看 专业生产双相不锈钢2205和2507的PN10法兰盖

943

06-27

PN6法兰盖的尺寸~GB/T9124.1-2019

半岛BD体育官网在线观看 专业生产双相不锈钢2205和2507的PN6法兰盖

957

06-27

PN2.5法兰盖的尺寸~GB/T9124.1-2019

半岛BD体育官网在线观看 专业生产双相不锈钢2205和2507的PN2.5法兰盖

539

06-20

2507双相钢板的化学成分和力学性能-ASTM A240

2507(UNS S32750)是一种超级双相不锈钢,半岛BD体育官网在线观看 制造双相不锈钢2507法兰、管板和各种对焊、锻制管件。

719

06-11

双相不锈钢分类

双相不锈钢根据耐腐蚀性能分为四类,而耐腐蚀性能的计算主要是依靠抗点蚀当量PREN。

833

06-11

再发一组展现广浩厂区和生产的照片

半岛BD体育官网在线观看 专业制造双相钢2205和2507法兰锻件。

908

04-23

Class900大直径法兰和法兰盖的尺寸~GB/T 13402-2010 A系列

专业制造GB/T 13402-2010...

在线客服
  • 销售热线
    13031891590

半岛BD体育官网在线观看
Baidu
map