当前位置: 首页 > 文章中心
967

01-30

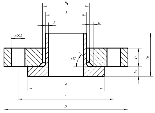
PN10管端翻边板式松套法兰的尺寸~GB/T 9124.1-2019

PN10管端翻边板式松套法兰的尺寸~GB/T 9124.1-2019

1098

01-30

PN2.5和PN6管端翻边板式松套法兰的尺寸~GB/T 9124.1-2019

PN2.5和PN6管端翻边板式松套法兰的尺寸~GB/T 9124.1-2019

593

01-29

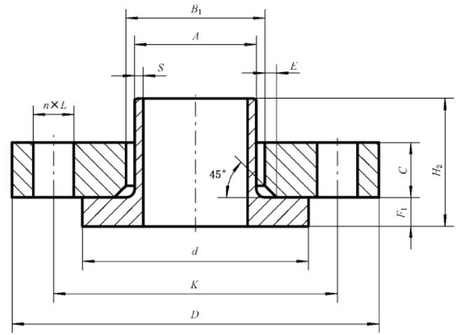
B型对焊环板式松套钢制管法兰的尺寸-GB/T 9124.1 PN40

B型对焊环板式松套钢制管法兰的尺寸-GB/T 9124.1 PN40

590

01-29

B型对焊环板式松套钢制管法兰的尺寸-GB/T 9124.1 PN25

B型对焊环板式松套钢制管法兰的尺寸-GB/T 9124.1 PN25

547

01-29

B型对焊环板式松套钢制管法兰的尺寸-GB/T 9124.1 PN16

B型对焊环板式松套钢制管法兰的尺寸-GB/T 9124.1 PN16

633

01-29

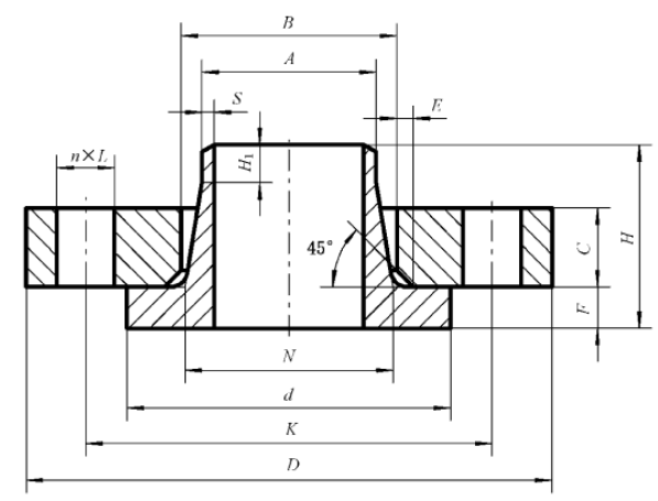
B型对焊环板式松套钢制管法兰的尺寸-GB/T 9124.1 PN10

B型对焊环板式松套钢制管法兰的尺寸-GB/T 9124.1 PN10

515

01-29

B型对焊环板式松套钢制管法兰的尺寸-GB/T 9124.1 PN6

B型对焊环板式松套钢制管法兰的尺寸-GB/T 9124.1 PN6

866

01-29

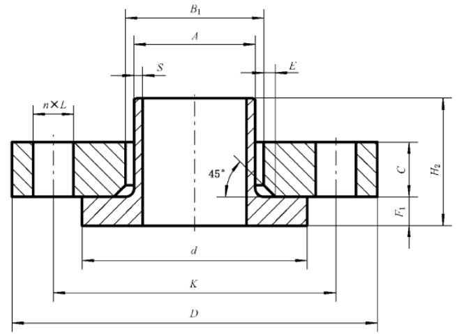
B型对焊环板式松套钢制管法兰的尺寸-GB/T 9124.1 PN2.5

B型对焊环板式松套钢制管法兰的尺寸-GB/T 9124.1 PN2.5

896

01-28

半岛BD体育官网在线观看 召开2022年总结表彰大会

半岛BD体育官网在线观看 召开2022年总结表彰大会

512

01-28

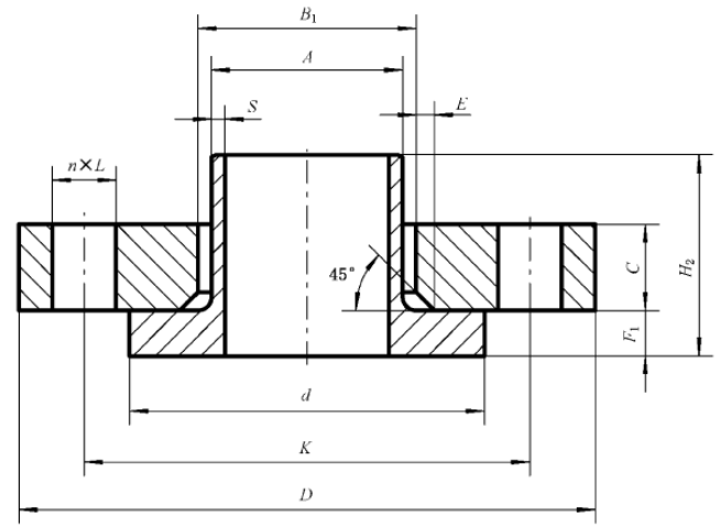
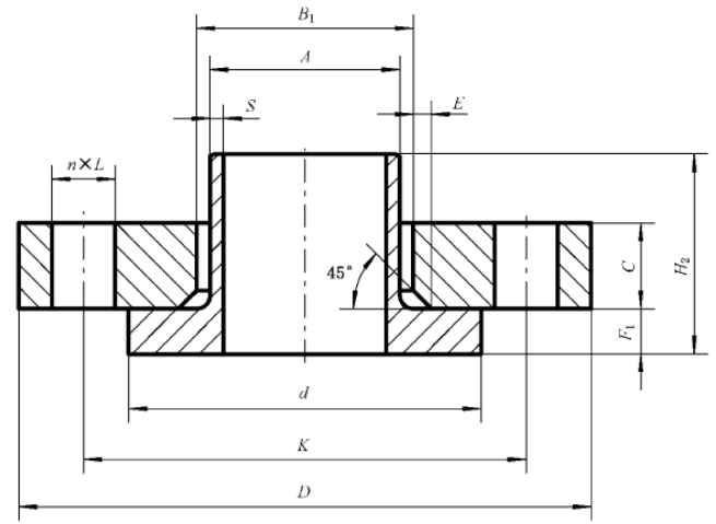
A型对焊环板式松套钢制管法兰的尺寸-GB/T 9124.1 PN40

A型对焊环板式松套钢制管法兰的尺寸-GB/T 9124.1 PN40

在线客服
  • 销售热线
    13031891590

半岛BD体育官网在线观看
Baidu
map