当前位置: 首页 > 文章中心
943

11-03

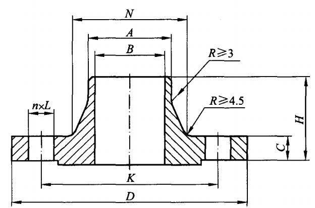
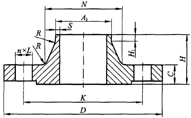
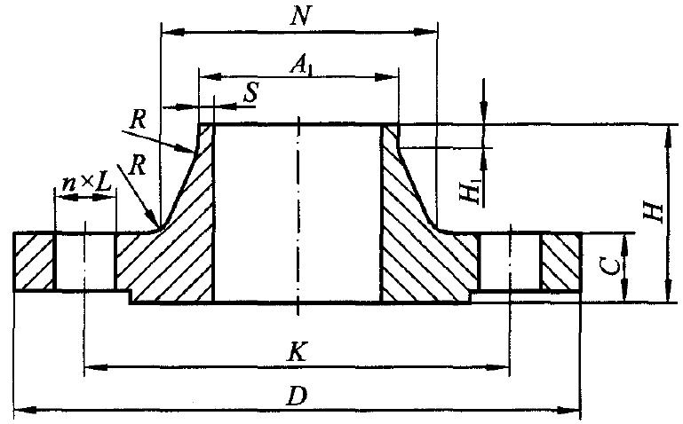
PN25带颈对焊法兰的尺寸~HG/T 20592-2009

PN25带颈对焊法兰的尺寸~HG/T 20592-2009

1421

11-03

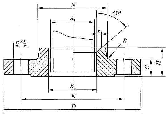
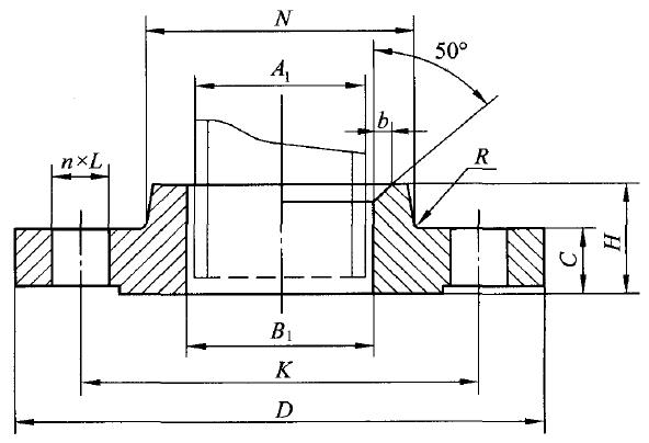
PN16带颈对焊法兰的尺寸~HG/T 20592-2009

PN16带颈对焊法兰的尺寸~HG/T 20592-2009

780

11-03

PN10带颈对焊法兰的尺寸~HG/T 20592-2009

PN10带颈对焊法兰的尺寸~HG/T 20592-2009

741

11-02

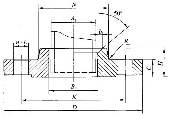
PN40带颈平焊法兰的尺寸~HG/T 20592-2009

PN40带颈平焊法兰的尺寸~HG/T 20592-2009

1140

11-02

PN25带颈平焊法兰的尺寸~HG/T 20592-2009

PN25带颈平焊法兰的尺寸~HG/T 20592-2009

1096

11-02

PN16带颈平焊法兰的尺寸~HG/T 20592-2009

PN16带颈平焊法兰的尺寸~HG/T 20592-2009

954

11-02

PN10带颈平焊法兰的尺寸~HG/T 20592-2009

PN10带颈平焊法兰的尺寸~HG/T 20592-2009

715

11-02

PN6带颈平焊法兰的尺寸~HG/T 20592-2009

PN6带颈平焊法兰的尺寸~HG/T 20592-2009

1132

11-01

Class2500(PN420)带颈对焊法兰的尺寸~HG/T 20615-2009

Class2500(PN420)带颈对焊法兰的尺寸~HG/T 20615-2009

1084

11-01

Class1500(PN260)带颈对焊法兰的尺寸~HG/T 20615-2009

Class1500(PN260)带颈对焊法兰的尺寸~HG/T 20615-2009

在线客服
  • 销售热线
    13031891590

半岛BD体育官网在线观看
Baidu
map