当前位置: 首页 > 文章中心
829

04-23

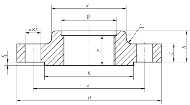
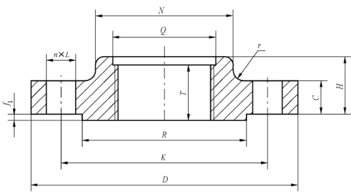
Class600大直径法兰和法兰盖的尺寸~GB/T 13402-2010 A系列

Class600大直径法兰和法兰盖的尺寸~GB/T 13402-2010 A系列 专业制造GB/T 13402-2010...

918

04-23

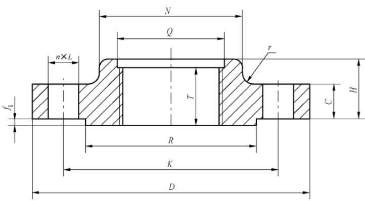
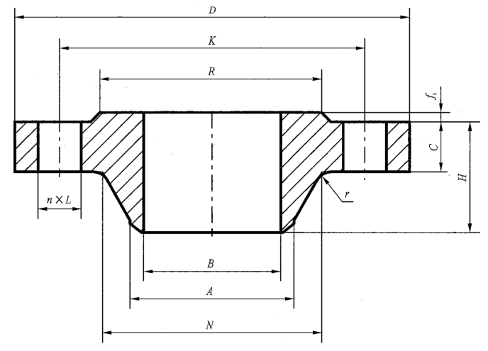
Class300大直径法兰和法兰盖的尺寸~GB/T 13402-2010 A系列

Class300大直径法兰和法兰盖的尺寸~GB/T 13402-2010 A系列 专业制造GB/T 13402-2010...

510

04-23

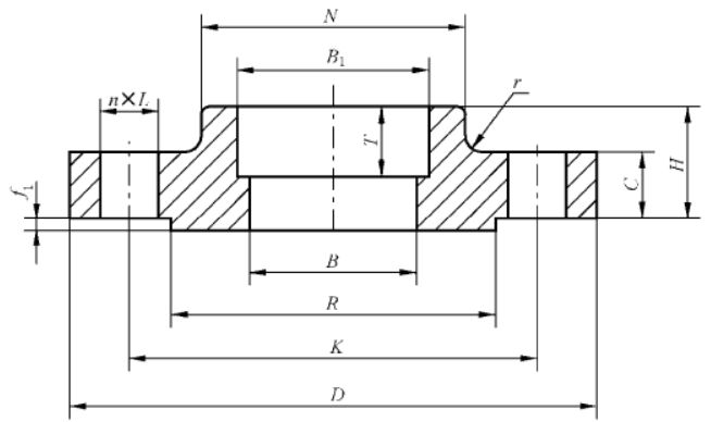
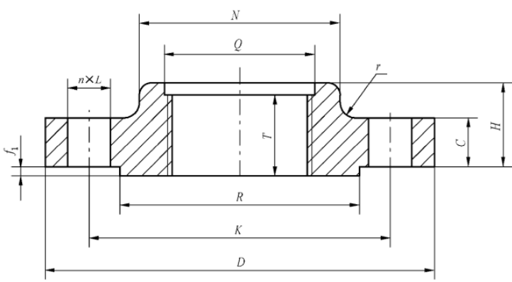
Class150大直径法兰和法兰盖的尺寸~GB/T 13402-2010 A系列

Class150大直径半岛娱乐站 和法兰盖的尺寸~GB/T 13402-2010 A系列

1519

04-22

Class2500螺纹法兰的尺寸~GB/T 9124.2-2019

Class2500螺纹法兰的尺寸~GB/T 9124.2-2019 专业制造GB/T 13402-2010...

1060

04-22

Class1500螺纹法兰的尺寸~GB/T 9124.2-2019

Class1500螺纹法兰的尺寸~GB/T 9124.2-2019 专业制造GB/T 13402-2010...

589

04-22

Class900螺纹法兰的尺寸~GB/T 9124.2-2019

Class900螺纹法兰的尺寸~GB/T 9124.2-2019 专业制造GB/T 13402-2010...

817

04-22

Class600螺纹法兰的尺寸~GB/T 9124.2-2019

Class600螺纹法兰的尺寸~GB/T 9124.2-2019

838

04-22

Class300螺纹法兰的尺寸~GB/T 9124.2-2019

Class300螺纹法兰的尺寸~GB/T 9124.2-2019 专业制造GB/T 9124.2-2019...

840

04-22

Class150螺纹法兰的尺寸~GB/T 9124.2-2019

Class150螺纹法兰的尺寸~GB/T 9124.2-2019

476

04-21

Class900 & 1500承插焊法兰的尺寸~GB/T 9124.2-2019

专业制造Class900 &...

在线客服
  • 销售热线
    13031891590

半岛BD体育官网在线观看
Baidu
map