当前位置: 首页 > 文章中心
841

01-28

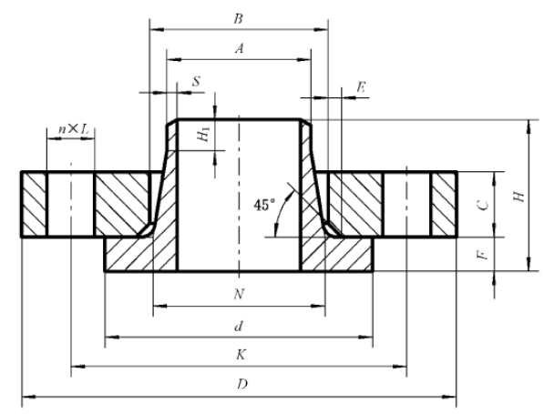
A型对焊环板式松套钢制管法兰的尺寸-GB/T 9124.1 PN25

A型对焊环板式松套钢制管法兰的尺寸-GB/T 9124.1 PN25

541

01-28

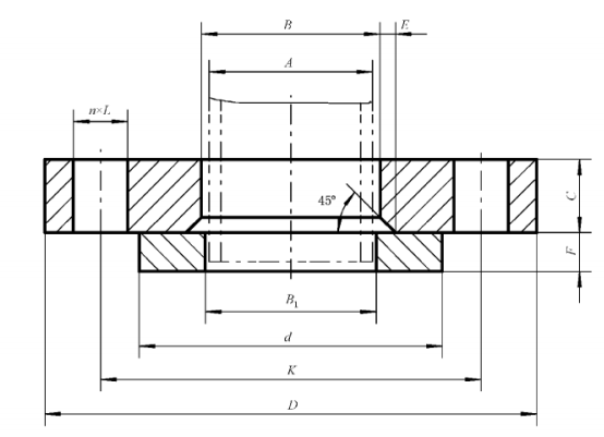
A型对焊环板式松套钢制管法兰的尺寸-GB/T 9124.1 PN16

A型对焊环板式松套钢制管法兰的尺寸-GB/T 9124.1 PN16

902

01-28

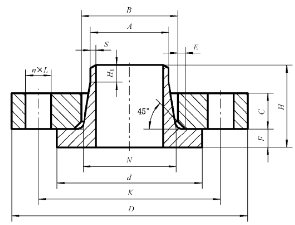
A型对焊环板式松套钢制管法兰的尺寸-GB/T 9124.1 PN10

A型对焊环板式松套钢制管法兰的尺寸-GB/T 9124.1 PN10

715

01-26

PN40平焊环板式松套法兰的尺寸~GB/T 9124.1

PN40平焊环板式松套法兰的尺寸~GB/T 9124.1

1108

01-26

PN25平焊环板式松套法兰的尺寸~GB/T 9124.1

PN25平焊环板式松套法兰的尺寸~GB/T 9124.1

1081

01-26

PN16平焊环板式松套法兰的尺寸~GB/T 9124.1

PN16平焊环板式松套法兰的尺寸~GB/T 9124.1

1151

01-26

PN10平焊环板式松套法兰的尺寸~GB/T 9124.1

PN10平焊环板式松套法兰的尺寸~GB/T 9124.1

796

01-26

PN6平焊环板式松套法兰的尺寸~GB/T 9124.1

PN6平焊环板式松套法兰的尺寸~GB/T 9124.1

706

01-26

PN2.5平焊环板式松套法兰的尺寸~GB/T 9124.1

PN2.5平焊环板式松套法兰的尺寸~GB/T 9124.1

1066

01-25

Class 2500螺纹法兰的尺寸~ASME B16.5

Class 2500螺纹法兰的尺寸~ASME B16.5

在线客服
  • 销售热线
    13031891590

半岛BD体育官网在线观看
Baidu
map