当前位置: 首页 > 文章中心
4624

07-07

Class1500 Ring Joint Type(RJT)法兰环连接面的尺寸-ASME B16.5

Class1500 Ring Joint Type(RJT)法兰环连接面的尺寸-ASME B16.5 & ASME B16.47

4977

07-07

Class900 Ring Joint Type(RJT)法兰环连接面的尺寸-ASME B16.5 & ASME B16.47

Class900 Ring Joint Type(RJT)法兰环连接面的尺寸-ASME B16.5 & ASME B16.47 DN...

4891

07-07

Class300、400 & 600 Ring Joint Type (RJT) 法兰环连接面的尺寸-ASME B16.5 & ASME B16.47

Class300、400 & 600 Ring Joint Type (RJT) 法兰环连接面的尺寸-ASME B16.5 & ASME B16.47...

3758

07-07

Class150 Ring Joint Type(RJT)法兰环连接面的尺寸-ASME B16.5

Class150 Ring Joint Face法兰环连接面的尺寸-ASME B16.5 & ASME B16.47

5684

06-19

GB/T 12459-2017和GB/T 13401-2017将于9月1日正式实施

GB/T 12459-2017和GB/T 13401-2017将于9月1日正式实施,取代GB/T 12459-2005和GB/T 13401-2005。...

15296

06-18

GB/T12459和GB/T13401中的I系列管道外径和II系列管道外径对比表

GB/T12459和GB/T13401中的I系列管道外径和II系列管道外径对比表 I系列管道为英制管,其外径由英寸换算而来,带有小数点。II系列管道为公制管,其外径用mm表示。...

3339

04-06

ASTM A192 高压用无缝碳钢锅炉管子

ASTM A192 高压用无缝碳钢锅炉管子 一、化学成分 %C: 0.06 - 0.18Mn: 0.27 - 0.63P: ≤0.035S: ≤0.035Si: ≤0.25...

7026

04-03

SA-213 T22的化学成分和力学性能

SA-213 锅炉、过热器和换热器用无缝铁素体和奥氏体合金钢管子 T22的化学成分和力学性能 一、 化学成分C: 0.05 - 0.15Mn: 0.30 - 0.60P:...

3843

04-01

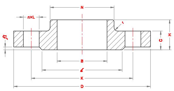
PN100带颈平焊法兰的尺寸 ~ EN1092-1

PN100带颈平焊法兰的尺寸 ~ EN1092-1

6685

04-01

PN63带颈平焊法兰的尺寸 ~ EN1092-1

PN63带颈平焊法兰的尺寸 ~ EN1092-1

在线客服
  • 销售热线
    13031891590

半岛BD体育官网在线观看
Baidu
map