当前位置: 首页 > 文章中心
1183

11-21

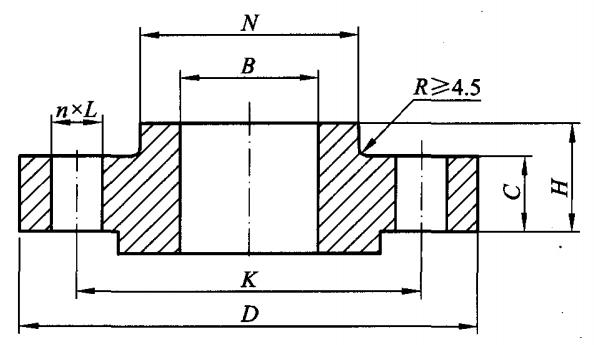
Class150(PN20)法兰盖的尺寸 - HG/T 20615-2009

Class150(PN20)法兰盖的尺寸 - HG/T 20615-2009

593

11-06

Class1500(PN260)带颈平焊法兰的尺寸 - HG/T 20615-2009

Class1500(PN260)带颈平焊法兰的尺寸 - HG/T 20615-2009

978

11-06

Class900(PN150)带颈平焊法兰的尺寸 - HG/T 20615-2009

Class900(PN150)带颈平焊法兰的尺寸 - HG/T 20615-2009

1059

11-06

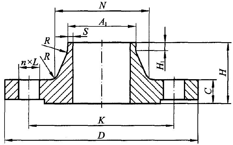
Class600(PN110)带颈平焊法兰的尺寸 - HG/T 20615-2009

Class600(PN110)带颈平焊法兰的尺寸 - HG/T 20615-2009

772

11-06

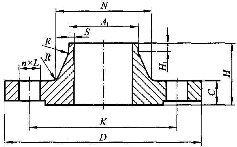
Class300(PN50)带颈平焊法兰的尺寸 - HG/T 20615-2009

Class300(PN50)带颈平焊法兰的尺寸 - HG/T 20615-2009

1138

11-06

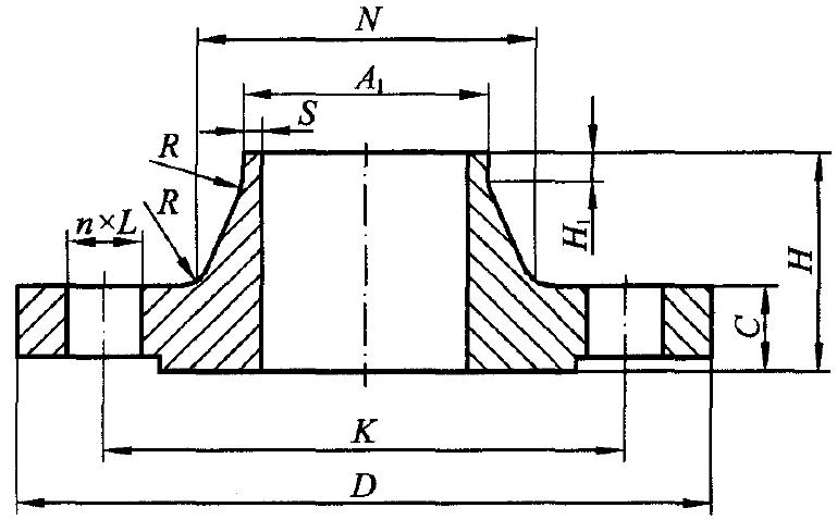
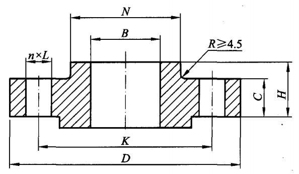
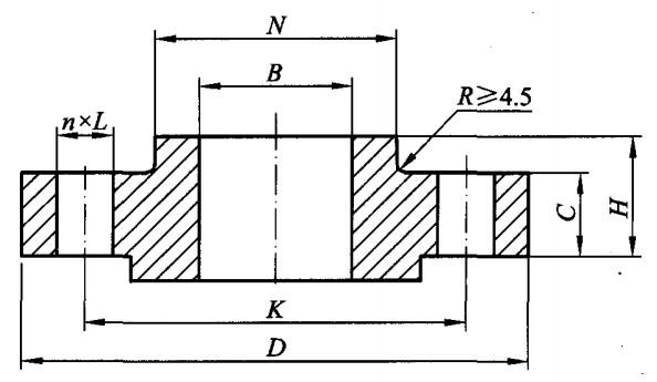
Class150(PN20)带颈平焊法兰的尺寸 - HG/T 20615-2009

Class150(PN20)带颈平焊法兰的尺寸 - HG/T 20615-2009

1067

11-03

PN160带颈对焊法兰的尺寸~HG/T 20592-2009

PN160带颈对焊法兰的尺寸~HG/T 20592-2009

939

11-03

PN100带颈对焊法兰的尺寸~HG/T 20592-2009

PN100带颈对焊法兰的尺寸~HG/T 20592-2009

931

11-03

PN63带颈对焊法兰的尺寸~HG/T 20592-2009

PN63带颈对焊法兰的尺寸~HG/T 20592-2009

1064

11-03

PN40带颈对焊法兰的尺寸~HG/T 20592-2009

PN40带颈对焊法兰的尺寸~HG/T 20592-2009

在线客服
  • 销售热线
    13031891590

半岛BD体育官网在线观看
Baidu
map